| Номер на схеме | Каталожный номер | Название | Количество | Детали | |||
|---|---|---|---|---|---|---|---|
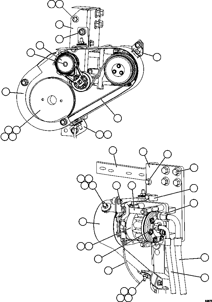
| ? | PC3033 | CAPSCREW - M10 X 1.50 X 80 | 1 | ||||
| ? | PC3029 | TENSIONER | 1 | ||||
| ? | PC3039 | BRACKET, ISOLATOR | 1 | ||||
| ? | PC3030 | BRACKET | 1 | ||||
| ? | PC3031 | CAPSCREW - M12 X 1.75 X 100 | 2 | ||||
| ? | PC3032 | CAPSCREW - M12 X 1.75 X 85 | 1 | ||||
| ? | PC3042 | BRACKET, ISOLATOR | 1 | ||||
| ? | XA4549 | BELT, V-RIBBED | 1 | ||||
| ? | PC3043 | BRACKET, ISOLATOR | 1 | ||||
| ? | PC3044 | BRACKET, BELT GUARD | 1 | ||||
| ? | PC3025 | PULLEY | 1 | ||||
| ? | PC3026 | SPACER | 1 | ||||
| ? | PC3027 | SEAL | 1 | ||||
| ? | PC3028 | SCREW | 3 | ||||
| ? | PC3048 | ISOLATOR | 3 | ||||
| ? | PC3049 | ISOLATOR | 3 | ||||
| ? | PC3046 | LOCKNUT - M10 X 1.50 | 3 | ||||
| ? | PC3047 | WASHER | 3 | ||||
| ? | PC3035 | CAPSCREW - M8 X 1.25 X 100 | 4 | ||||
| ? | PC3041 | GUARD, MOUNTING BRACKET | 1 | ||||
| ? | PC3037 | CAPSCREW - M16 X 2.00 X 40 | 3 | ||||
| ? | PC3034 | BRACKET | 1 | ||||
| ? | PC3038 | CAPSCREW - M16 X 2.00 X 60 | 4 | ||||
| ? | PC3036 | "P" CLIP | 2 | ||||
| ? | WB1027 | O-RING | 1 | ||||
| ? | PC3040 | GUARD | 1 | ||||
| ? | 58B-07-00010 | HOSE | 1 | ||||
| ? | HA8678 | HOSE | 1 | ||||
| ? | 58E-06-00020 | HARNESS, A/C COMPRESSOR JUMPER | 1 | ||||
| ? | WA1732 | O-RING | 1 | ||||
| ? | XA7317 | COMPRESSOR, A/C | 1 | ||||
| ? | PC2279 | OIL, REFRIGERANT - 8 OZ. | 1 | ||||
| ? | PC3045 | GUARD, BELT | 1 | ||||
| ? | PC3139 | BRACKET | 1 |