k-part
Номер на схеме Каталожный номер Название Количество Детали
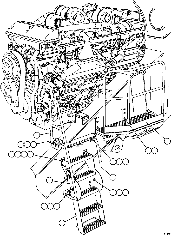
? EM1328 LADDER, ACCESS - L.H. SIDE 1
? EM1331 LADDER, ACCESS - R.H. SIDE 1
? VN9952 LOCKNUT - 5/8" - 11NC 4
? WA4863 FLAT WASHER - 5/8" 8
? TV1748 CAPSCREW - 5/8" - 11NC X 1 1/2" 4
? XB3783 HANDRAIL - L.H. SIDE 1
? XB3784 HANDRAIL - R.H. SIDE 1
? EM4706 HANDRAIL - L.H. SIDE 1
? EM4704 HANDRAIL - R.H. SIDE 1
? MM0619 CAPSCREW - M12 X 1.75 X 35 12
? MM0694 LOCKNUT - M12 X 1.75 12
? MM0462 FLAT WASHER - M12 28
? MM0618 CAPSCREW - M12 X 1.75 X 30 4
? MM0472 LOCKWASHER - M12 16
? MM0714 FLAT WASHER - M12 (HARDENED) 24
? MM0620 CAPSCREW - M12 X 1.75 X 40 12
? MM0179 NUT - M12 X 1.75 12
? EM5084 STEPS, ENGINE EGRESS - L.H. SIDE 1
? EM5085 STEPS, ENGINE EGRESS - R.H. SIDE 1
? EM9115 PLATFORM, ENGINE - L.H. SIDE 1
? EM9114 PLATFORM, ENGINE - R.H. SIDE 1
? MM0029 CAPSCREW - M16 X 2.00 X 30 8
? MM0464 FLAT WASHER - M16 8

Dump Trucks Komatsu / AFE62-AV 930E-4SE S/N A31717, A31719, A31721 - A31722, A31739, A31741 & A31743  COLLAHUASI(AFE62-AV) / ENGINE ACCESS LADDERS, HANDRAILS & PLATFORMS(014 : 61932)
?
?
?
?
?
?
?
?
?
?
?
?
?
?
?
?
?
?
?
?
?
?
?