| Номер на схеме | Каталожный номер | Название | Количество | Детали | |||
|---|---|---|---|---|---|---|---|
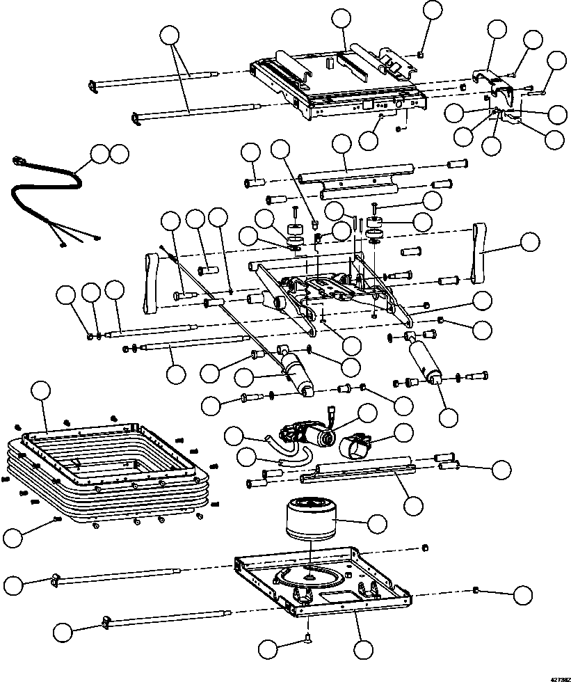
| ? | XA4923 | SHAFT, BEARING | 4 | ||||
| ? | XA4920 | HOUSING, UPPER | 1 | ||||
| ? | XA4962 | NUT, CENTERLOCK - 3/8" - 16NC | 10 | ||||
| ? | XA4932 | BRACKET, CABLE | 1 | ||||
| ? | XA4965 | CAPSCREW - 1/4" - 20NC X 5/8" | 2 | ||||
| ? | XA4952 | CAPSCREW - 1/4" - 20NC X 1 1/2" | 1 | ||||
| ? | XA4951 | CAPSCREW - #6 - 32NC X 1/2" | 1 | ||||
| ? | XA4931 | KNOB | 1 | ||||
| ? | XA4954 | SPRING, COMPRESSION | 1 | ||||
| ? | XA4946 | BALL, BEARING | 1 | ||||
| ? | XA4950 | LOCKNUT - #6 - 32NC | 1 | ||||
| ? | XA4961 | LOCKNUT - 1/4" - 20NC | 5 | ||||
| ? | XA4929 | LINK, NARROW TOGGLE | 1 | ||||
| ? | XA4966 | CAPSCREW - 3/8" - 16NC X 1/2" | 1 | ||||
| ? | XA4943 | TUBE, BEARING | 12 | ||||
| ? | XA4935 | SHOULDER BOLT | 2 | ||||
| ? | XA4957 | LOCKWASHER | 2 | ||||
| ? | XA4963 | FLAT WASHER | 2 | ||||
| ? | XA4930 | RETAINER, BUMPER | 2 | ||||
| ? | XA4960 | CAPSCREW - #8 - 32NC X 1 1/4" | 2 | ||||
| ? | XA4947 | FITTING, 90 DEGREE ELBOW (1) | 1 | ||||
| ? | XA4939 | BUMPER | 2 | ||||
| ? | XA4959 | SCREW - 1/4" - 20NC X 1" | 2 | ||||
| ? | XA4925 | TETHER, BOLT | 2 | ||||
| ? | XA4924 | ARM, SCISSORS | 1 | ||||
| ? | XA4938 | SHOCK ABSORBER | 1 | ||||
| ? | XA4934 | CLAMP, COMPRESSOR | 1 | ||||
| ? | XA4928 | LINK, WIDE TOGGLE | 1 | ||||
| ? | XA4941 | SPRING, AIR | 1 | ||||
| ? | XA4921 | HOUSING, LOWER | 1 | ||||
| ? | XA4958 | SCREW - 3/8" - 16NC | 1 | ||||
| ? | XA4955 | CLIP | 1 | ||||
| ? | XA4942 | BOOT, SUSPENSION | 1 | ||||
| ? | XA5791 | COMPRESSOR | 1 | ||||
| ? | XA4956 | TUBING, NYLON - 5/32" (PRESSURE) (1)/(2) | 1 | ||||
| ? | XA4948 | TUBING, CONVOLUTED (VENT) | 1 | ||||
| ? | XA4933 | SHOULDER BOLT | 2 | ||||
| ? | XA4922 | SHOCK ABSORBER, ADJUSTABLE | 1 | ||||
| ? | XA4937 | WASHER, SPACER | 4 | ||||
| ? | XA4940 | BEARING | 4 | ||||
| ? | XA4936 | SHAFT, BEARING - LONG | 1 | ||||
| ? | XA4926 | SHAFT, BEARING - SHORT | 1 | ||||
| ? | XA4964 | FLAT WASHER | 2 | ||||
| ? | XA4927 | HARNESS, SEAT COMPRESSOR | 1 | ||||
| ? | XA4945 | TIE, CABLE (1) | 1 | ||||
| ? | XA5074 | NOTE: (1) INCLUDED IN XA5074 AIR LINE SERVICE KIT. | |||||
| ? | (2) NOT SERVICED SEPARATELY. ORDER XA5074. |