|
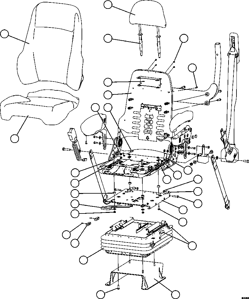
Номер на схеме |
Каталожный номер |
Название |
Количество |
Детали |
|
|
|
? |
58E-98-10120 |
CUSHION, SEAT |
1 |
|
|
|
|
? |
58E-98-10130 |
CUSHION, BACKREST |
1 |
|
|
|
|
? |
58E-98-10540 |
HEADREST |
1 |
|
|
|
|
? |
XA4061 |
KIT, HEADREST GUIDE |
1 |
|
|
|
|
? |
58E-98-10240 |
BRACKET, HEADREST GUIDE |
1 |
|
|
|
|
? |
XA5119 |
RIVET |
4 |
|
|
|
|
? |
58E-98-10300 |
SCREW - #12 |
2 |
|
|
|
|
? |
58E-98-10110 |
KIT, HIGHBACK SEAT |
1 |
|
|
|
|
? |
EM4054 |
SLIDE ASSEMBLY |
1 |
|
|
|
|
? |
58E-98-10350 |
CAPSCREW - M8 X 1.25 X 30 |
2 |
|
|
|
|
? |
58E-98-10340 |
FLAT WASHER |
6 |
|
|
|
|
? |
58E-98-10250 |
SPACER |
4 |
|
|
|
|
? |
XA4455 |
NUT, CENTERLOCK - M8 X 1.25 |
4 |
|
|
|
|
? |
EM4066 |
BLOCK, SLIDER (ADJUSTABLE) |
2 |
|
|
|
|
? |
EM4068 |
SCREW, ALLEN HEAD - 1/4" - 20NC X 1/2" |
2 |
|
|
|
|
? |
XA5816 |
SEAT SUSPENSION ASSEMBLY (SEE INDEX) |
1 |
|
42738 |
|
|
? |
EM4056 |
RISER |
1 |
|
|
|
|
? |
EM4078 |
CAPSCREW - M8 X 1.25 X 25 |
6 |
|
|
|
|
? |
EM4059 |
BLOCK, SLIDER (NON-ADJUSTABLE) |
2 |
|
|
|
|
? |
58E-98-10280 |
BOLT, CARRIAGE - 5/16" - 18NC |
2 |
|
|
|
|
? |
58E-98-10330 |
LOCKNUT - 5/16" - 18NC |
2 |
|
|
|
|
? |
58E-98-10390 |
CAPSCREW - 5/16" - 18NC X 1 1/2" |
2 |
|
|
|
|
? |
58E-98-10200 |
SPACER |
1 |
|
|
|
|
? |
EM4072 |
NUT, CENTERLOCK - 5/16" - 18NC |
2 |
|
|
|
|
? |
58E-98-10232 |
BRACKET, RECLINE STOP |
1 |
|
|
|