k-part
Номер на схеме Каталожный номер Название Количество Детали
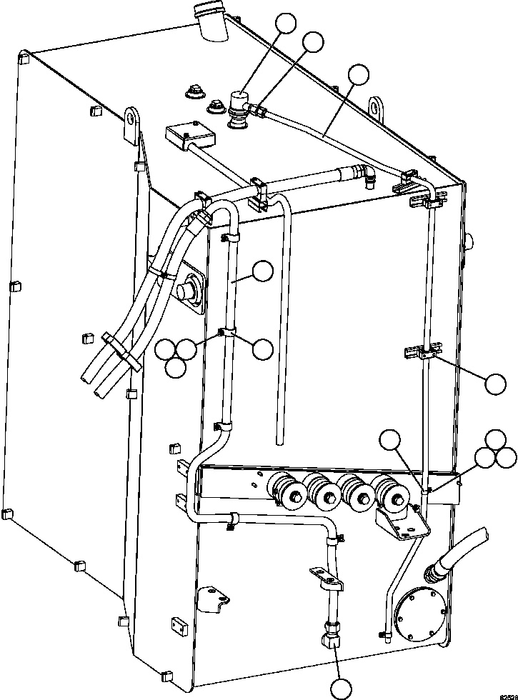
? XB6932 TUBE 1
? MM0178 NUT - M10 X 1.50 7
? MM0471 LOCKWASHER - M10 7
? MM0461 FLAT WASHER - M10 7
? VN9994 CLAMP, TUBE - 1 1/2" 5
? VG6711 FITTING, ELBOW - 90 DEG 1
? PB9887 VENT 1
? WB0493 FITTING, STRAIGHT 1
? 58B-04-00230 TUBE 1
? WA4708 CLAMP, HYDRA ZORB - 1" 3
? WB3093 CLAMP, CUSHIONED - 1" 2

Dump Trucks Komatsu / AFE62-BG 930E-4SE S/N A31828 - A31831, A31835 - A31837, A31840, A31844 - A31846 & A31850 - A31854  SIERRA GORDA(AFE62-BG) / FUEL SYSTEM PIPING     2/3(296 : 62529)
?
?
?
?
?
?
?
?
?
?
?
?
?
?