| Номер на схеме | Каталожный номер | Название | Количество | Детали | |||
|---|---|---|---|---|---|---|---|
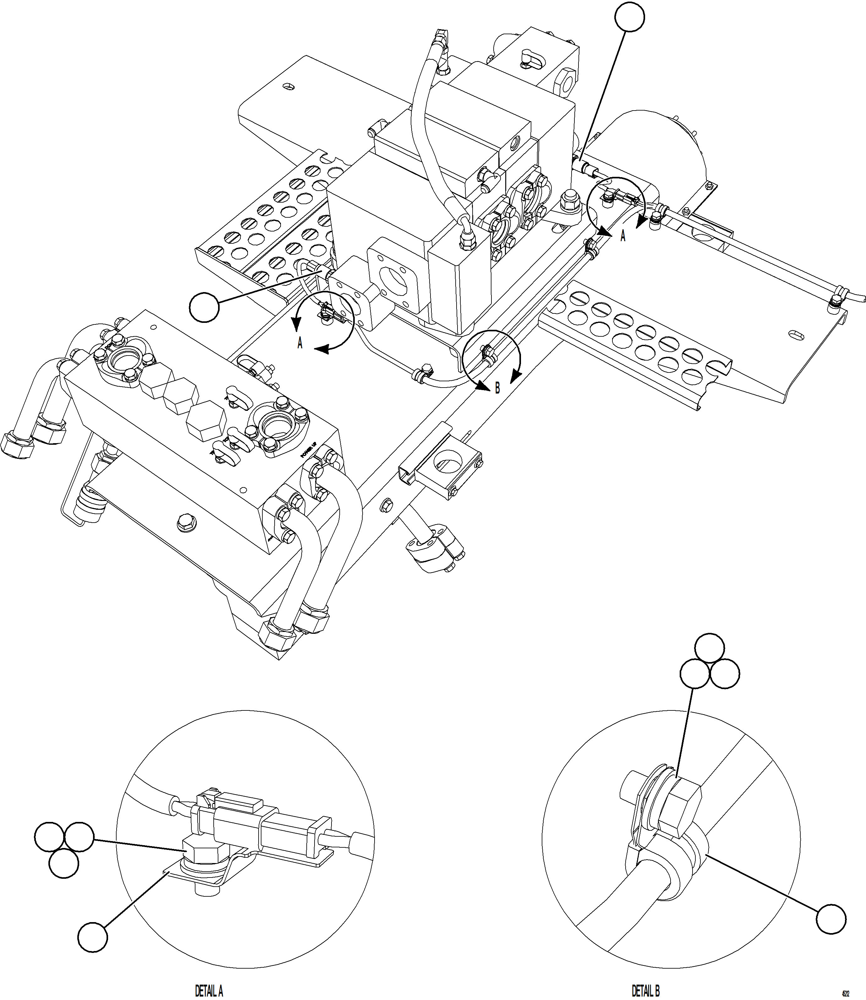
| ? | 58B-06-20290 | SENSOR, PRESSURE - 4000 PSI | 2 | ||||
| ? | 08193-21012 | CLIP | 2 | ||||
| ? | WB3097 | CLAMP, CUSHIONED - 1/2" | 5 | ||||
| ? | MM0604 | CAPSCREW - M10 X 1.50 X 20 | 7 | ||||
| ? | MM0471 | LOCKWASHER - M10 | 7 | ||||
| ? | MM0461 | FLAT WASHER - M10 | 7 |