k-part
Номер на схеме Каталожный номер Название Количество Детали
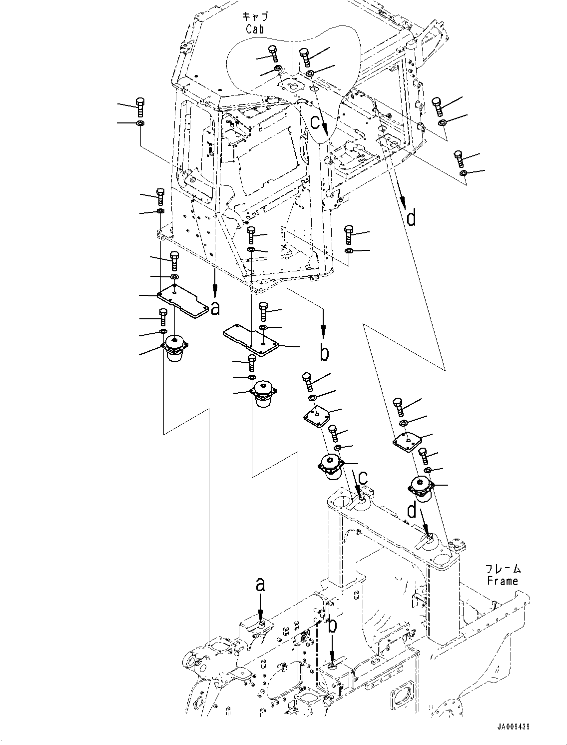
? 13Y-54-11352 Plate 1
SN: 30001-
KIT-FLAG: _-
SCC:
SERIALNO: 30001-
? 13Y-54-11371 Plate 1
SN: 30001-
KIT-FLAG: _-
SCC:
SERIALNO: 30001-
? 154-54-73130 Bolt 2
SN: 30001-
KIT-FLAG: _-
SCC:
SERIALNO: 30001-
? 01643-32060 Washer 2
SN: 30001-
KIT-FLAG: _-
SCC:
SERIALNO: 30001-
? 8A31-54-1110 Cushion 2
SN: 30001-
KIT-FLAG: _-
SCC:
SERIALNO: 30001-
? 01010-81235 Bolt 8
SN: 30001-
KIT-FLAG: _-
SCC:
SERIALNO: 30001-
? 01643-31232 Washer 8
SN: 30001-
KIT-FLAG: _-
SCC:
SERIALNO: 30001-
? 198-54-42260 Bolt 8
SN: 30001-
KIT-FLAG: _-
SCC:
SERIALNO: 30001-
? 01643-71645 Washer 8
SN: 30001-
KIT-FLAG: _-
SCC:
SERIALNO: 30001-
? 13Y-54-11780 Plate 1
SN: 30001-
KIT-FLAG: _-
SCC:
SERIALNO: 30001-
? 13Y-54-11790 Plate 1
SN: 30001-
KIT-FLAG: _-
SCC:
SERIALNO: 30001-
? 01010-82460 Bolt 2
SN: 30001-
KIT-FLAG: _-
SCC:
SERIALNO: 30001-
? 01643-32460 Washer 2
SN: 30001-
KIT-FLAG: _-
SCC:
SERIALNO: 30001-
? 17A-54-46120 Cushion 2
SN: 30001-
KIT-FLAG: _-
SCC:
SERIALNO: 30001-
? 01010-81435 Bolt 8
SN: 30001-
KIT-FLAG: _-
SCC:
SERIALNO: 30001-
? 01643-31445 Washer, Flat 8
SN: 30001-
KIT-FLAG: _-
SCC:
SERIALNO: 30001-
? 01010-81645 Bolt 8
SN: 30001-
KIT-FLAG: _-
SCC:
SERIALNO: 30001-
? 13Y-30-16190 Washer 8
SN: 31397-
KIT-FLAG: _-
SCC:
SERIALNO: 31397-
? 01643-31645 Washer 8
SN: 30001-31396
KIT-FLAG: _-
SCC:
SERIALNO: 30001-31396
? 01010-82460 Bolt 4
SN: 30001-
KIT-FLAG: _-
SCC:
SERIALNO: 30001-
? 01643-32460 Washer 4
SN: 30001-
KIT-FLAG: _-
SCC:
SERIALNO: 30001-

Bulldozers Komatsu / D61PX-23 S/N 30001-UP(0000655C) / Floor Mounting (#30001-)(K023001 : K2120-001001)
?
?
?
?
?
?
?
?
?
?
?
?
?
?
?
?
?
?
?
?
?
?
?
?
?
?
?
?
?
?
?
?
?
?
?
?
?
?
?
?