k-part
Номер на схеме Каталожный номер Название Количество Детали
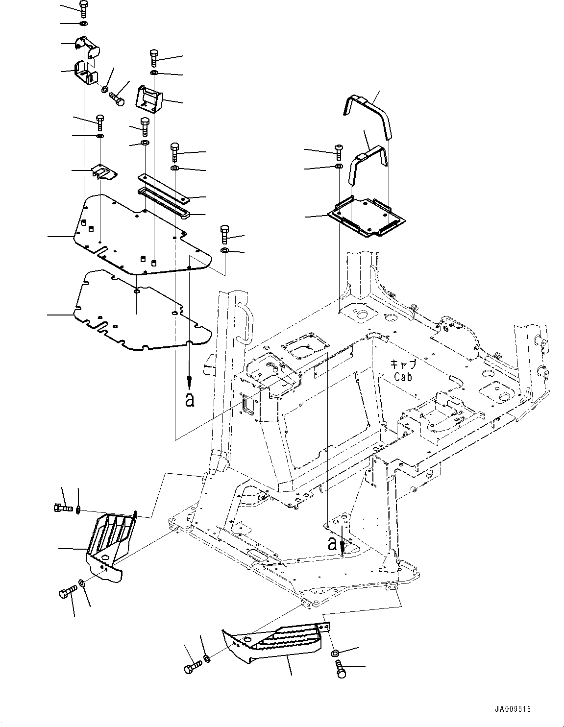
? 12Y-54-27931 Bracket 1
SN: 30001-@
KIT-FLAG: _-
SCC:
SERIALNO: 30001-@
? 12Y-54-27941 Bracket 1
SN: 30001-@
KIT-FLAG: _-
SCC:
SERIALNO: 30001-@
? 01010-D1225 Bolt 8
SN: 30001-30616
KIT-FLAG: _-
SCC:
SERIALNO: 30001-30616
? 01643-71232 Washer 8
SN: 30001-30616
KIT-FLAG: _-
SCC:
SERIALNO: 30001-30616
? 12Y-54-28320 Bracket 1
SN: 30001-@
KIT-FLAG: _-
SCC:
SERIALNO: 30001-@
? 01245-00620 Screw 4
SN: 30001-@
KIT-FLAG: _-
SCC:
SERIALNO: 30001-@
? 01643-70623 Washer 4
SN: 30001-@
KIT-FLAG: _-
SCC:
SERIALNO: 30001-@
? 12Y-43-21310 Plate 1
SN: 30001-@
KIT-FLAG: _-
SCC:
SERIALNO: 30001-@
? 01010-D1020 Bolt 4
SN: 30001-@
KIT-FLAG: _-
SCC:
SERIALNO: 30001-@
? 01643-71032 Washer 4
SN: 30001-@
KIT-FLAG: _-
SCC:
SERIALNO: 30001-@
? 423-54-42790 Band 2
SN: 30001-@
KIT-FLAG: _-
SCC:
SERIALNO: 30001-@
? 12Y-43-21321 Plate 1
SN: 30001-@
KIT-FLAG: _-
SCC:
SERIALNO: 30001-@
? 12Y-43-21330 Bracket 1
SN: 30001-@
KIT-FLAG: _-
SCC:
SERIALNO: 30001-@
? 01010-D1020 Bolt 2
SN: 30001-@
KIT-FLAG: _-
SCC:
SERIALNO: 30001-@
? 01643-71032 Washer 2
SN: 30001-@
KIT-FLAG: _-
SCC:
SERIALNO: 30001-@
? 12Y-54-26721 Cover 1
SN: 30001-@
KIT-FLAG: _-
SCC:
SERIALNO: 30001-@
? 12Y-54-26731 • Sheet 1
SN: 30001-@
KIT-FLAG: _-
SCC:
SERIALNO: 30001-@
? 01010-81230 Bolt 11
SN: 30001-@
KIT-FLAG: _-
SCC:
SERIALNO: 30001-@
? 01643-31232 Washer 11
SN: 30001-@
KIT-FLAG: _-
SCC:
SERIALNO: 30001-@
? 17A-54-25560 Cover 1
SN: 30001-@
KIT-FLAG: _-
SCC:
SERIALNO: 30001-@
? 17A-54-25570 • Sheet 1
SN: 30001-@
KIT-FLAG: _-
SCC:
SERIALNO: 30001-@
? 01010-81230 Bolt 2
SN: 30001-@
KIT-FLAG: _-
SCC:
SERIALNO: 30001-@
? 01643-31232 Washer 2
SN: 30001-@
KIT-FLAG: _-
SCC:
SERIALNO: 30001-@
? 12Y-06-27771 Cover 1
SN: 30001-@
KIT-FLAG: _-
SCC:
SERIALNO: 30001-@
? 01010-80820 Bolt 2
SN: 30001-@
KIT-FLAG: _-
SCC:
SERIALNO: 30001-@
? 01643-30823 Washer 2
SN: 30001-@
KIT-FLAG: _-
SCC:
SERIALNO: 30001-@

Bulldozers Komatsu / D61PX-23 S/N 30001-UP(0000655C) / Cab Electrical Unit, Bracket (#30001-30616)(K019005 : K0230-002004)
?
?
?
?
?
?
?
?
?
?
?
?
?
?
?
?
?
?
?
?
?
?
?
?
?
?
?
?
?
?
?
?
?
?
?
?
?