k-part
Номер на схеме Каталожный номер Название Количество Детали
? 12Y-979-1350 Bracket 1
SN: 30001-
KIT-FLAG: _-
SCC:
SERIALNO: 30001-
? 01010-81020 Bolt 2
SN: 30001-
KIT-FLAG: _-
SCC:
SERIALNO: 30001-
? 01643-31032 Washer 2
SN: 30001-
KIT-FLAG: _-
SCC:
SERIALNO: 30001-
? 01010-80616 Bolt 2
SN: 30001-
KIT-FLAG: _-
SCC:
SERIALNO: 30001-
? 01643-30623 Washer 2
SN: 30001-
KIT-FLAG: _-
SCC:
SERIALNO: 30001-
? 12Y-979-1361 Hose 1
SN: 30001-
KIT-FLAG: _-
SCC:
SERIALNO: 30001-
? 11Y-09-11160 Clip 2
SN: 30001-
KIT-FLAG: _-
SCC:
SERIALNO: 30001-
? 12Y-979-6350 Hose 1
SN: 30001-
KIT-FLAG: _-
SCC:
SERIALNO: 30001-
? 09479-02400 Clip 2
SN: 30001-
KIT-FLAG: _-
SCC:
SERIALNO: 30001-
? 04434-52711 Clip 1
SN: 30001-
KIT-FLAG: _-
SCC:
SERIALNO: 30001-
? 07095-20420 Cushion 1
SN: 30001-
KIT-FLAG: _-
SCC:
SERIALNO: 30001-
? 01010-81020 Bolt 1
SN: 30001-
KIT-FLAG: _-
SCC:
SERIALNO: 30001-
? 01643-31032 Washer 1
SN: 30001-
KIT-FLAG: _-
SCC:
SERIALNO: 30001-
? 208-987-3680 Heater Assembly 1
SN: 30001-
KIT-FLAG: _-
SCC:
SERIALNO: 30001-
? 01010-81020 Bolt 4
SN: 30001-
KIT-FLAG: _-
SCC:
SERIALNO: 30001-
? 01643-31032 Washer 4
SN: 30001-
KIT-FLAG: _-
SCC:
SERIALNO: 30001-
? 12Y-Z79-3320 Bracket 1
SN: 32007-
KIT-FLAG: _-
SCC:
SERIALNO: 32007-
? 12Y-979-6320 Bracket 1
SN: 30001-32006
KIT-FLAG: _-
SCC: A2
SERIALNO: 30001-32006
? 01010-81020 Bolt 4
SN: 30001-
KIT-FLAG: _-
SCC:
SERIALNO: 30001-
? 01643-31032 Washer 4
SN: 30001-
KIT-FLAG: _-
SCC:
SERIALNO: 30001-
? 12Y-977-1121 Seal 1
SN: 30001-
KIT-FLAG: _-
SCC:
SERIALNO: 30001-
? 12Y-Z79-3311 Bracket 1
SN: 32007-
KIT-FLAG: _-
SCC:
SERIALNO: 32007-
? 12Y-979-6311 Bracket 1
SN: 30001-32006
KIT-FLAG: _-
SCC: A2
SERIALNO: 30001-32006
? 12Y-979-6360 • Seal 1
SN: 30001-
KIT-FLAG: _-
SCC:
SERIALNO: 30001-
? 01010-81230 Bolt 4
SN: 30001-
KIT-FLAG: _-
SCC:
SERIALNO: 30001-
? 01643-31232 Washer 4
SN: 30001-
KIT-FLAG: _-
SCC:
SERIALNO: 30001-
? 12Y-979-6340 Hose 1
SN: 30001-
KIT-FLAG: _-
SCC:
SERIALNO: 30001-
? 11Y-09-11160 Clip 2
SN: 30001-
KIT-FLAG: _-
SCC:
SERIALNO: 30001-
? 22B-979-1880 Connector 1
SN: 30001-
KIT-FLAG: _-
SCC:
SERIALNO: 30001-
? 07285-00230 Clip 1
SN: 30001-
KIT-FLAG: _-
SCC:
SERIALNO: 30001-
? 12Y-977-1193 Wiring Harness 1
SN: 30001-
KIT-FLAG: _-
SCC:
SERIALNO: 30001-
? 04434-51410 Clip 1
SN: 30001-
KIT-FLAG: _-
SCC:
SERIALNO: 30001-
? 01010-81020 Bolt 1
SN: 30001-
KIT-FLAG: _-
SCC:
SERIALNO: 30001-
? 01643-31032 Washer 1
SN: 30001-
KIT-FLAG: _-
SCC:
SERIALNO: 30001-
? 08034-20519 Band 2
SN: 30001-
KIT-FLAG: _-
SCC:
SERIALNO: 30001-
? 12Y-06-13380 Seal 1
SN: 30001-
KIT-FLAG: _-
SCC:
SERIALNO: 30001-
? 12Y-57-21231 Bracket 1
SN: 30001-
KIT-FLAG: _-
SCC:
SERIALNO: 30001-
? 12Y-57-11131 • Seal 1
SN: 30001-
KIT-FLAG: _-
SCC:
SERIALNO: 30001-
? 01010-81230 Bolt 4
SN: 30001-
KIT-FLAG: _-
SCC:
SERIALNO: 30001-
? 01643-31232 Washer 4
SN: 30001-
KIT-FLAG: _-
SCC:
SERIALNO: 30001-
? 12Y-57-21251 Cover 1
SN: 30001-
KIT-FLAG: _-
SCC:
SERIALNO: 30001-
? 12Y-57-11170 • Seal 2
SN: 30001-
KIT-FLAG: _-
SCC:
SERIALNO: 30001-
? 12Y-57-11181 • Seal 2
SN: 30001-
KIT-FLAG: _-
SCC:
SERIALNO: 30001-
? 01245-00620 Screw 4
SN: 30001-
KIT-FLAG: _-
SCC:
SERIALNO: 30001-
? 01643-70623 Washer 4
SN: 30001-
KIT-FLAG: _-
SCC:
SERIALNO: 30001-

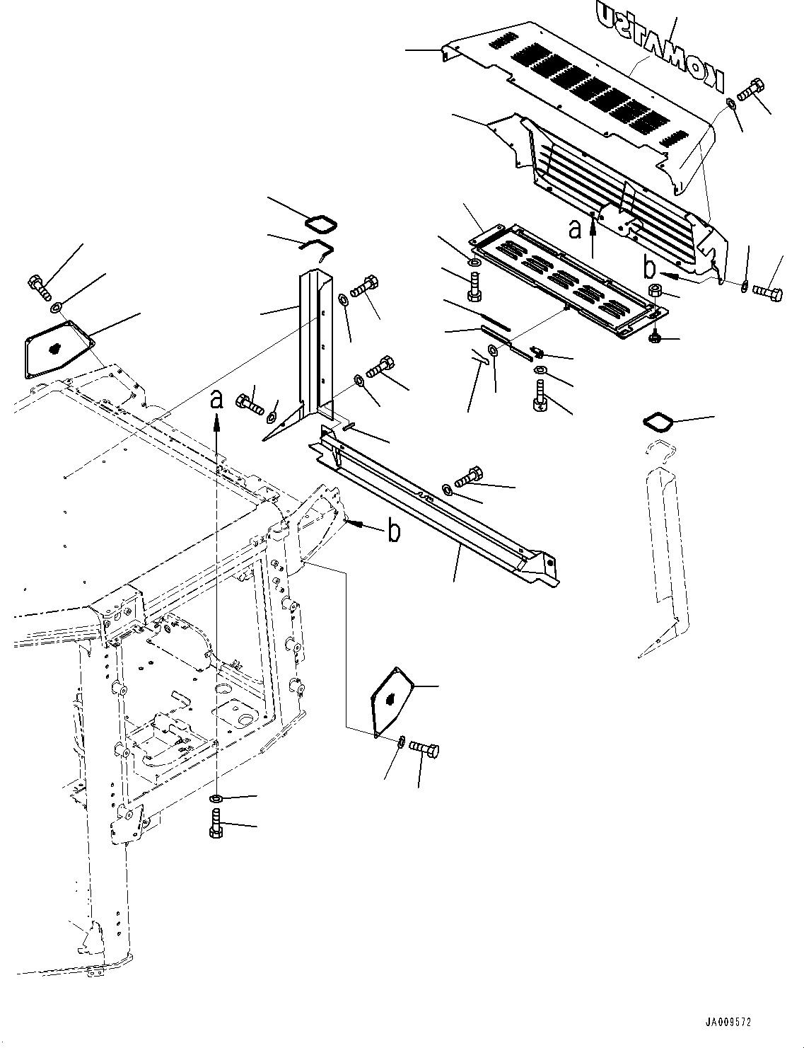
Bulldozers Komatsu / D61PX-23 S/N 30001-UP(0000655C) / Cab, Heater Unit (#30001-)(K016032 : K0210-006031)
?
?
?
?
?
?
?
?
?
?
?
?
?
?
?
?
?
?
?
?
?
?
?
?
?
?
?
?
?
?
?
?
?
?
?
?
?
?
?
?
?
?
?
?
?
?
?
?
?
?
?