k-part
Номер на схеме Каталожный номер Название Количество Детали
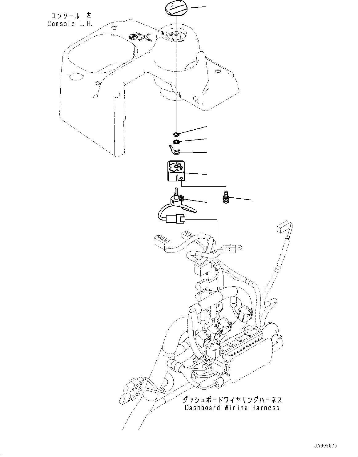
? 702-16-02320 Lever Assembly 1
SN: 30001-
KIT-FLAG: _-
SCC:
SERIALNO: 30001-
? 702-16-62730 • Cover 1
SN: 30001-
KIT-FLAG: _-
SCC:
SERIALNO: 30001-
? 702-16-62740 • O-ring 1
SN: 30001-
KIT-FLAG: _-
SCC:
SERIALNO: 30001-
? 01252-60512 • Bolt 4
SN: 30001-
KIT-FLAG: _-
SCC:
SERIALNO: 30001-
? 702-16-59330 • Boot 1
SN: 30001-
KIT-FLAG: _-
SCC:
SERIALNO: 30001-
? 702-16-62690 • Tube 1
SN: 30001-
KIT-FLAG: _-
SCC:
SERIALNO: 30001-
? 08017-30702 • Conduit 1
SN: 30001-
KIT-FLAG: _-
SCC:
SERIALNO: 30001-

Bulldozers Komatsu / D61PX-23 S/N 30001-UP(0000655C) / Cab, PCCS (Palm Command Control System) Lever (#30001-)(K012034 : K0210-002033)
?
?
?
?
?
?
?