| Номер на схеме | Каталожный номер | Название | Количество | Детали | |||
|---|---|---|---|---|---|---|---|
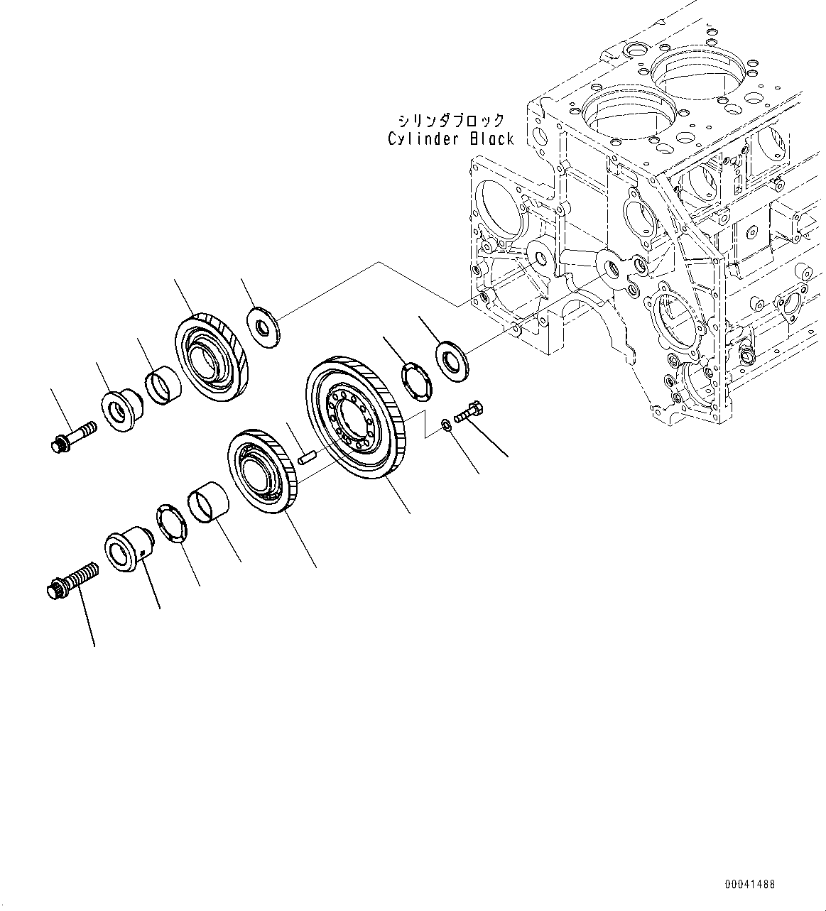
| ? | 6212-31-6440 | Gear | 1 | SN: 730001- KIT-FLAG: _- SCC: SERIALNO: 730001- |
|||
| ? | 6212-31-6420 | Gear Assembly | 1 | SN: 730001- KIT-FLAG: _- SCC: SERIALNO: 730001- |
|||
| ? | • Gear | 1 | SN: 730001- KIT-FLAG: _- SCC: C1 SERIALNO: 730001- |
||||
| ? | 6212-31-6130 | • Bushing | 1 | SN: 730001- KIT-FLAG: _- SCC: SERIALNO: 730001- |
|||
| ? | 22X-22-12670 | Bolt | 12 | SN: 730001- KIT-FLAG: _- SCC: SERIALNO: 730001- |
|||
| ? | 6212-31-6490 | Washer | 12 | SN: 730001- KIT-FLAG: _- SCC: SERIALNO: 730001- |
|||
| ? | 04020-00514 | Pin, Dowel | 1 | SN: 730001- KIT-FLAG: _- SCC: SERIALNO: 730001- |
|||
| ? | 6210-22-2410 | Shaft | 1 | SN: 730001- KIT-FLAG: _- SCC: SERIALNO: 730001- |
|||
| ? | 6210-22-2420 | Plate | 1 | SN: 730001- KIT-FLAG: _- SCC: SERIALNO: 730001- |
|||
| ? | 6162-33-5322 | Bolt | 1 | SN: 730001- KIT-FLAG: _- SCC: SERIALNO: 730001- |
|||
| ? | 6212-31-6140 | Bearing | 2 | SN: 730001- KIT-FLAG: _- SCC: SERIALNO: 730001- |
|||
| ? | 6212-31-6100 | Gear Assembly | 1 | SN: 730001- KIT-FLAG: _- SCC: SERIALNO: 730001- |
|||
| ? | • Gear | 1 | SN: 730001- KIT-FLAG: _- SCC: C1 SERIALNO: 730001- |
||||
| ? | 6212-31-6120 | • Bushing | 1 | SN: 730001- KIT-FLAG: _- SCC: SERIALNO: 730001- |
|||
| ? | 6212-21-2511 | Shaft | 1 | SN: 730001- KIT-FLAG: _- SCC: SERIALNO: 730001- |
|||
| ? | 6210-21-2422 | Plate | 1 | SN: 730001- KIT-FLAG: _- SCC: SERIALNO: 730001- |
|||
| ? | 6212-21-2450 | Bolt | 1 | SN: 730001- KIT-FLAG: _- SCC: SERIALNO: 730001- |