k-part
Номер на схеме Каталожный номер Название Количество Детали
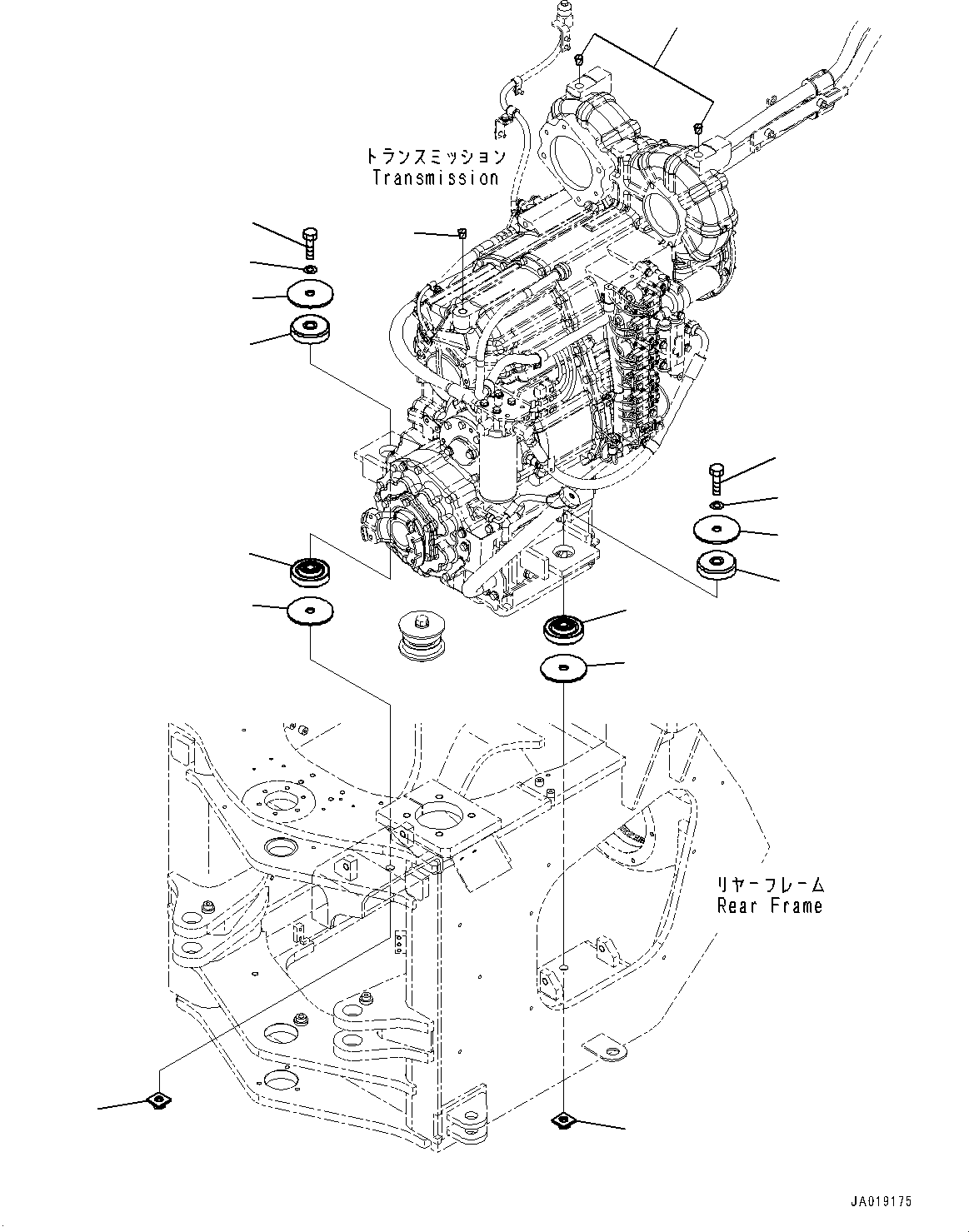
? 421-01-41140 Cushion 2
SN: 10001-
KIT-FLAG: _-
SCC:
SERIALNO: 10001-
? 421-01-41140 Cushion 2
SN: 10001-
KIT-FLAG: _-
SCC:
SERIALNO: 10001-
? 01643-32060 Washer 1
SN: 10001-
KIT-FLAG: _-
SCC:
SERIALNO: 10001-
? 01643-32060 Washer 1
SN: 10001-
KIT-FLAG: _-
SCC:
SERIALNO: 10001-
? 424-01-11220 Washer 1
SN: 10001-
KIT-FLAG: _-
SCC:
SERIALNO: 10001-
? 424-01-11220 Washer 1
SN: 10001-
KIT-FLAG: _-
SCC:
SERIALNO: 10001-
? 01011-62050 Bolt 1
SN: 10001-
KIT-FLAG: _-
SCC:
SERIALNO: 10001-
? 01011-62050 Bolt 1
SN: 10001-
KIT-FLAG: _-
SCC:
SERIALNO: 10001-
? 421-01-51610 Spacer 1
SN: 10001-
KIT-FLAG: _-
SCC:
SERIALNO: 10001-
? 421-01-51610 Spacer 1
SN: 10001-
KIT-FLAG: _-
SCC:
SERIALNO: 10001-
? 421-01-41550 Bracket 1
SN: 10001-
KIT-FLAG: _-
SCC:
SERIALNO: 10001-
? 421-01-41550 Bracket 1
SN: 10001-
KIT-FLAG: _-
SCC:
SERIALNO: 10001-
? 07049-02430 Plug 2
SN: 10001-
KIT-FLAG: _-
SCC:
SERIALNO: 10001-
? 07049-03038 Plug, Cork 1
SN: 10001-
KIT-FLAG: _-
SCC:
SERIALNO: 10001-

Wheel Loaders Komatsu / WA470-7 S/N 10001-UP(0000681C) / Transmission Mounting (#10001-)(F014001 : F4810-001001)
?
?
?
?
?
?
?
?
?
?
?
?
?
?
?
?