| Номер на схеме | Каталожный номер | Название | Количество | Детали | |||
|---|---|---|---|---|---|---|---|
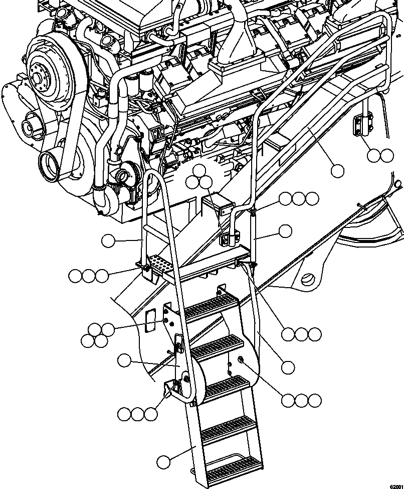
| ? | EM1328 | LADDER, ACCESS - L.H. SIDE | 1 | ||||
| ? | EM1331 | LADDER, ACCESS - R.H. SIDE | 1 | ||||
| ? | VN9952 | LOCKNUT - 5/8" - 11NC | 4 | ||||
| ? | WA4863 | FLAT WASHER - 5/8" | 8 | ||||
| ? | TV1748 | CAPSCREW - 5/8" - 11NC X 1 1/2" | 4 | ||||
| ? | XB3783 | HANDRAIL - L.H. SIDE | 1 | ||||
| ? | XB3784 | HANDRAIL - R.H. SIDE | 1 | ||||
| ? | EM4706 | HANDRAIL - L.H. SIDE | 1 | ||||
| ? | EM4704 | HANDRAIL - R.H. SIDE | 1 | ||||
| ? | MM0619 | CAPSCREW - M12 X 1.75 X 35 | 16 | ||||
| ? | MM0694 | LOCKNUT - M12 X 1.75 | 16 | ||||
| ? | MM0462 | FLAT WASHER - M12 | 36 | ||||
| ? | MM0618 | CAPSCREW - M12 X 1.75 X 30 | 4 | ||||
| ? | MM0472 | LOCKWASHER - M12 | 16 | ||||
| ? | MM0714 | FLAT WASHER - M12 (HARDENED) | 24 | ||||
| ? | MM0620 | CAPSCREW - M12 X 1.75 X 40 | 12 | ||||
| ? | MM0179 | NUT - M12 X 1.75 | 12 | ||||
| ? | EM5084 | STEPS, ENGINE EGRESS - L.H. SIDE | 1 | ||||
| ? | EM5085 | STEPS, ENGINE EGRESS - R.H. SIDE | 1 | ||||
| ? | EM1489 | SUPPORT, HANDRAIL | 2 | ||||
| ? | XB3418 | HANDRAIL - L.H. SIDE | 1 | ||||
| ? | XB3780 | HANDRAIL - R.H. SIDE | 1 | ||||
| ? | XB3797 | PLATE, SPACER | 2 | ||||
| ? | MM0706 | FLAT WASHER - M16 (HARDENED) | 12 | ||||
| ? | MM0029 | CAPSCREW - M16 X 2.00 X 30 | 4 | ||||
| ? | MM0012 | CAPSCREW - M16 X 2.00 X 25 | 8 |