| Наименование | Страница | Код страницы |
|---|---|---|
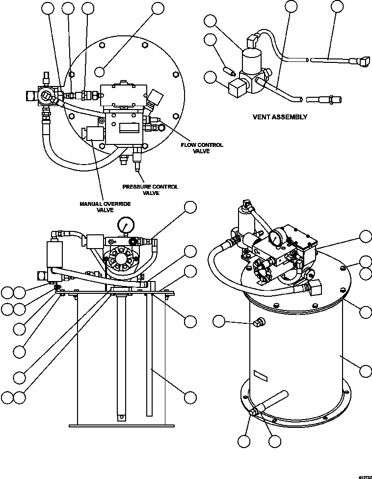
| LUBE PUMP ASSEMBLY XA4126 | 552 | 42288 |
| VENT VALVE ASSEMBLY LA0912 | 556 | 60397 |
| CHECK VALVE ASSEMBLY LA1187 | 554 | 60398 |
| Номер на схеме | Каталожный номер | Название | Количество | Детали | |||
|---|---|---|---|---|---|---|---|
| ? | XA4126 | LUBE PUMP ASSEMBLY (SEE INDEX) | 1 | 42288 | |||
| ? | BF5439 | CAPSCREW | 5 | ||||
| ? | LA1212 | LOCKWASHER | 5 | ||||
| ? | BF5440 | GASKET | 1 | ||||
| ? | XA1986 | CONTAINER ASSEMBLY (90 LB.) | 1 | ||||
| ? | BF5442 | PLUG, PIPE (VENT) | 2 | ||||
| ? | BF5443 | PLUG, PIPE (FILL) | 1 | ||||
| ? | BF5435 | TUBE, EXTENSION | 1 | ||||
| ? | BF5425 | ELBOW | 1 | ||||
| ? | BF5085 | CAPSCREW | 2 | ||||
| ? | BF5084 | LOCKWASHER | 6 | ||||
| ? | BF5423 | CAPSCREW | 4 | ||||
| ? | BF5424 | BRACKET | 2 | ||||
| ? | BF5436 | NUT | 4 | ||||
| ? | BF5450 | GASKET | 1 | ||||
| ? | BF5447 | SCREW | 4 | ||||
| ? | BF5086 | NUT | 4 | ||||
| ? | BF5449 | ELBOW | 1 | ||||
| ? | BF5422 | COVER | 1 | ||||
| ? | XA1988 | GASKET | 1 | ||||
| ? | XA1985 | PIPE, VENT | 1 | ||||
| ? | LA1187 | VALVE, CHECK (SEE INDEX) | 1 | 60398 | |||
| ? | BF5445 | UNION | 1 | ||||
| ? | BF5082 | NIPPLE | 1 | ||||
| ? | LA0912 | VALVE, VENT (SEE INDEX) | 1 | 60397 | |||
| ? | LA0605 | UNLOADER, SAFETY | 1 | ||||
| ? | BF2446 | ELBOW | 1 | ||||
| ? | BF5426 | HOSE | 1 | ||||
| ? | XA1983 | HOSE | 1 |