k-part
Номер на схеме Каталожный номер Название Количество Детали
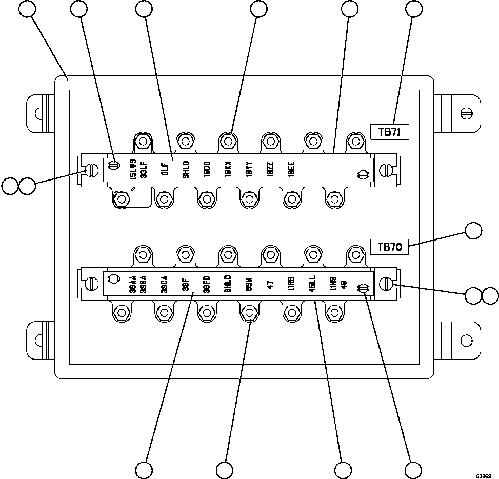
? EK1411 BOX W/COVER 1
? VS8479 BOARD, TERMINAL 2
? VF2231 MACHINE SCREW - #10 - 24NC X 3/8" 4
? DC3101 LOCKWASHER - #10 4
? WB1243 STRIP, CIRCUIT ID 1
? WB1242 STRIP, CIRCUIT ID 1
? WA3367 NUT ASSEMBLY 24
? VM2951 SCREW, SELF-TAPPING - #6 - 32NC X 5/16" 4
? WB1245 NAME PLATE - TB71 1
? WB1244 NAME PLATE - TB70 1

Dump Trucks Komatsu / AFE59-DB 930E-4 S/N A31007 - A31010     JWANENG(AFE59-DB) / JUNCTION BOX ASSEMBLY - L.H.      EK5822(386 : 60962)
?
?
?
?
?
?
?
?
?
?
?
?
?
?
?