k-part
Номер на схеме Каталожный номер Название Количество Детали
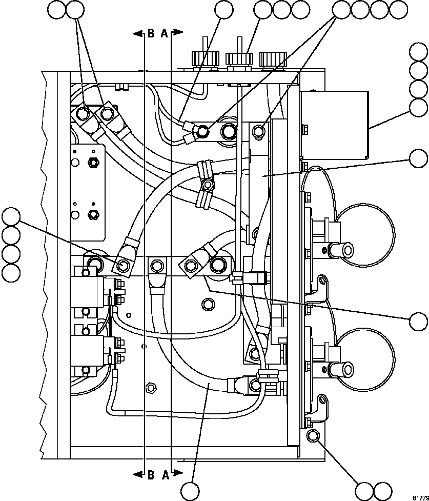
? MM0604 CAPSCREW - M10 X 1.50 X 20 5
? MM0713 FLAT WASHER - M10 (HARDENED) 5
? VZ1369 LOCKNUT, CONDULET - 1" 1
? VZ3028 GRIP, CORD 1
? VM3655 BUSHING, CONDULET - 1" 1
? EM2054 BUS BAR 1
? XB5599 HARNESS, BATTERY BOX 1
? CH3885 CABLE, BATTERY - RED 1
? TD0791 CAPSCREW - 3/8" - 16NC X 1 1/4" 7
? TC1231 LOCKWASHER - 3/8" 7
? TR4436 FLAT WASHER - 3/8" 14
? TC1233 NUT - 3/8" - 16NC 7
? MM0619 CAPSCREW - M12 X 1.75 X 35 4
? MM0462 FLAT WASHER - M12 4
? EL7794 COVER 1
? MM0594 CAPSCREW - M8 X 1.25 X 25 4
? MM0470 LOCKWASHER - M8 4
? MM0460 FLAT WASHER - M8 4
? EL3821 BUS BAR 1
? (FOR VIEWS A-A & B-B, SEE THE FOLLOWING PAGE.)

Dump Trucks Komatsu / AFE59-DB 930E-4 S/N A31007 - A31010     JWANENG(AFE59-DB) / BATTERY BOX    4/5(308 : 61779)
?
?
?
?
?
?
?
?
?
?
?
?
?
?
?
?
?
?
?
?
?
?
?