k-part
Номер на схеме Каталожный номер Название Количество Детали
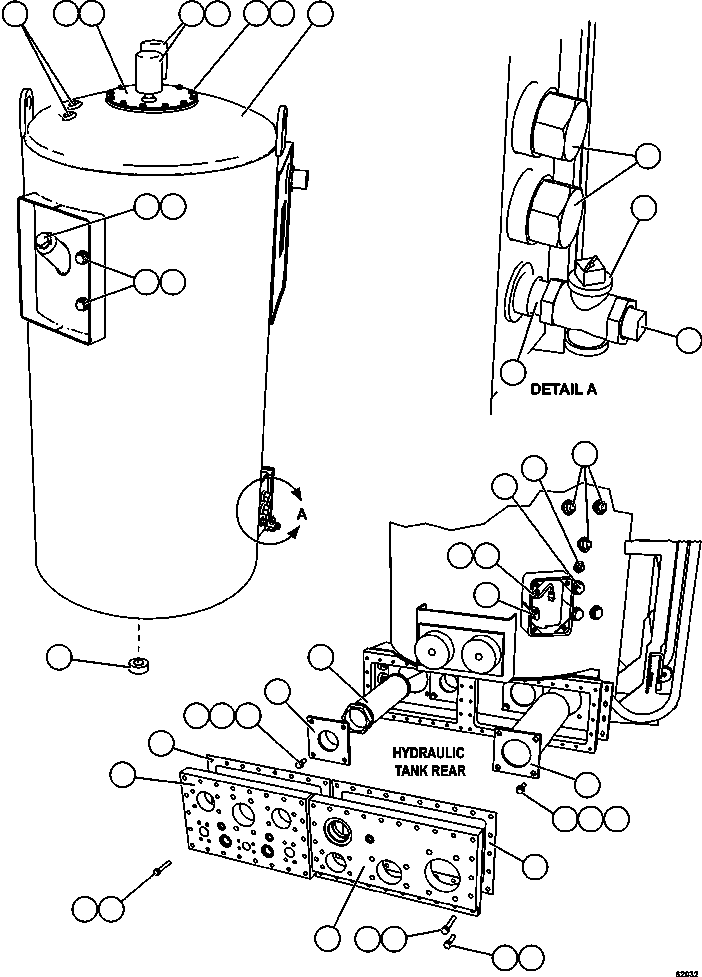
? XC1340 HYDRAULIC TANK W/ COVERS 1
? MM0605 • CAPSCREW - M10 X 1.50 X 25 12
? MM0713 • FLAT WASHER - M10 (HARDENED) 12
? EK5035 • COVER 1
? PB0699 • GASKET 1
? R2028 • PLUG, PIPE - 3/4" 2
? TB0623 • PLUG, CAP 1
? VL4534 • O-RING 1
? EH7675 • PLUG, DRAIN - 2" (MAGNETIC) 1
? C5772 • PLUG, PIPE 4
? C5771 • PLUG, PIPE - 1/2" 4
? VM0317 • PLUG 6
? VM0319 • PLUG 2
? PB5556 FILTER, SPIN-ON 2
? PB5557 ADAPTER, FILTER 2
? DA5893 GAUGE, SIGHT 2
? TH5604 O-RING 2
? TF6957 DRAIN COCK 1
? C5771 PLUG, PIPE - 1/2" 1
? E2579 NIPPLE, CLOSE 1
? PB2639 PROBE, OIL LEVEL 1
? PB3019 REDUCER, BAFFLED 1
? AK7339 SENSOR, TEMPERATURE 1
? PB5526 STRAINER 2
? MM0620 CAPSCREW - M12 X 1.75 X 40 16
? MM0472 LOCKWASHER - M12 16
? MM0462 FLAT WASHER - M12 16
? EH7674 GASKET 1
? MM0056 CAPSCREW - M10 X 1.50 X 40 10
? MM0471 LOCKWASHER - M10 48
? MM0073 CAPSCREW - M10 X 1.50 X 60 38
? EH7672 PLATE, SUCTION COVER 1
? EH7671 PLATE, RETURN COVER 1
? EH7673 GASKET 1
? TY7922 FLANGE 2
? PC0007 DIFFUSER 2

Dump Trucks Komatsu / AFE59-ED 930E-4 S/N A31267, A31278, A31280, A31282, A31284 & A31292  FORTESCUE METALS GROUP(AFE59-ED) / HYDRAULIC TANK ASSEMBLY(396 : 62032)
?
?
?
?
?
?
?
?
?
?
?
?
?
?
?
?
?
?
?
?
?
?
?
?
?
?
?
?
?
?
?
?
?
?
?
?
?
?
?
?
?
?