| Номер на схеме | Каталожный номер | Название | Количество | Детали | |||
|---|---|---|---|---|---|---|---|
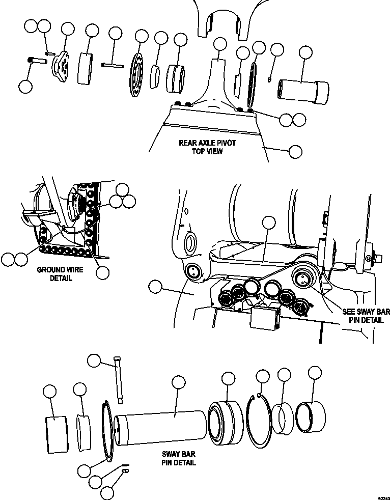
| ? | XC2583 | AXLE HOUSING ASSEMBLY | 1 | ||||
| ? | TX8110 | SLEEVE (2) | 2 | ||||
| ? | WB1162 | CAPSCREW - 1 1/4" - 7NC X 3" (12 PT) | 24 | ||||
| ? | WA0366 | FLAT WASHER - 1 1/4" (HARDENED) | 24 | ||||
| ? | XB2450 | PIVOT EYE ASSEMBLY | 1 | ||||
| ? | XB2449 | • EYE, PIVOT | 1 | ||||
| ? | PC1291 | • BEARING (1) | 1 | ||||
| ? | WB1154 | • CAPSCREW - 3/4" - 10NC X 6" (12 PT) (1) | 14 | ||||
| ? | VL2993 | • LOCKNUT - 3/4" - 10NC (1) | 14 | ||||
| ? | EL0047 | • RETAINER, BEARING (1) | 2 | ||||
| ? | ED4952 | SLEEVE (1) | 1 | ||||
| ? | EK0867 | PIN, PIVOT (1) | 1 | ||||
| ? | VN9952 | LOCKNUT - 5/8" - 11NC (2) | 2 | ||||
| ? | EG3028 | SPACER (1) | 2 | ||||
| ? | EK0866 | PLATE, LOCKING (1) | 1 | ||||
| ? | WB1059 | CAPSCREW - 1 1/4" - 7NC X 4 1/2" (12 PT) (1) | 5 | ||||
| ? | WA0361 | FLAT WASHER - 5/8" (HARDENED) (2) | 2 | ||||
| ? | VN9087 | CAPSCREW - 5/8" - 11NC X 2 1/2" (1) | 3 | ||||
| ? | C1541 | LOCKWASHER - 5/8" (1) | 3 | ||||
| ? | EM8109 | SHOULDER BOLT - 5/8" - 11NC X 7.16" (FRAME END) (2) | 1 | ||||
| ? | EM8110 | SHOULDER BOLT - 5/8" - 11NC X 6.73" (AXLE END) (2) | 1 | ||||
| ? | TY2734 | SPACER (2) | 4 | ||||
| ? | EH7812 | ANTI-SWAY BAR W/ BEARINGS | 1 | ||||
| ? | EH7813 | • BAR, ANTI-SWAY | 1 | ||||
| ? | VN9351 | • RING, RETAINER (2) | 4 | ||||
| ? | PB0027 | • BEARING, SPHERICAL (2) | 2 | ||||
| ? | EH7811 | PIN, BEARING (2) | 2 | ||||
| ? | XB2497 | WIRE, GROUND (PIVOT EYE TO FRAME) | 1 | ||||
| ? | MM0471 | LOCKWASHER - M10 | 2 | ||||
| ? | MM0178 | NUT - M10 X 1.50 | 2 | ||||
| ? | MM0603 | CAPSCREW - M10 X 1.50 X 16 | 1 | ||||
| ? | AK5258 | NOTE: (1) INCLUDED IN AK5258 NOSE CONE PIN KIT. | |||||
| ? | AK5672 | (2) INCLUDED IN AK5672 PANHARD PIN KIT. |