k-part
Номер на схеме Каталожный номер Название Количество Детали
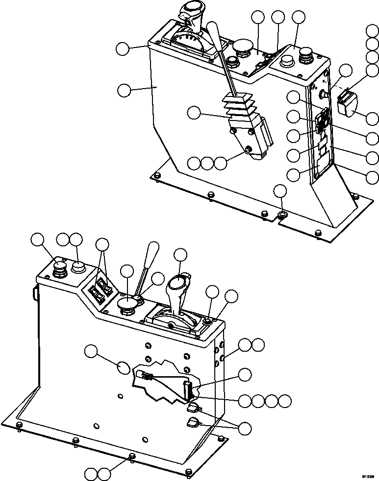
? EM5646 CONSOLE, CENTER 1
? EL4131 COVER, MOLDED (SHIFT CONSOLE) 1
? EL2721 • DECAL, SHIFT CONSOLE - FORWARD 1
? EL2723 • DECAL, SHIFT CONSOLE - MIDDLE 1
? EM2711 • DECAL, SHIFT CONSOLE - REAR 1
? PB8624 SWITCH, PUSH BUTTON (DATA STORE) 1
? SM0628 COVER 1
? HE2467 MACHINE SCREW - #6 - 32NC X 1/2" 2
? HE5125 FLAT WASHER - #6 2
? DF4944 LOCKWASHER - #6 2
? DD2468 NUT - #6 - 32NC 2
? SM4443 FLASHER ASSEMBLY - CLEAR LENS 4
? SP8443 LIGHT BULB 4
? SM5073 DECAL, SERVICE ENGINE 1
? EL4153 DECAL, VHMS SNAPSHOT IN PROGRESS 1
? SM5104 DECAL, LINK ENERGIZED 1
? XB0514 PLATE, DIAGNOSTIC 1
? SM0926 SCREW - M6 X 1.00 4
? TF7982 GROMMET, RUBBER 1
? WA3597 CAPSCREW - 5/16" - 18NC X 2 1/4" 3
? SC4174 LOCKWASHER - 5/16" 3
? TV0177 FLAT WASHER - 5/16" 3
? PB6893 VALVE, CONTROL 1
? PC2873 LEVER, GEAR SELECTOR 1
? 31127R1 CAPSCREW - M6 X 1.00 X 12 (UNDER MOLDED COVER) 4
? WA4605 SCREW, PHILLIPS - #10 - 24NC X 1/2" 10
? SM5115 CAPSCREW, INTERNAL HEX - M8 X 1.25 8
? MM0460 FLAT WASHER - M8 8
? EM5648 RESISTOR 1
? VG1621 MACHINE SCREW - 4-40 X 5/8" 2
? VD7129 LOCKWASHER - #4 8
? VN9762 FLAT WASHER - #4 4
? VN9708 NUT - #4 - 40NC 2
? PC1374 OUTLET, AUXILIARY POWER 2
? MM0593 CAPSCREW - M8 X 1.25 X 20 8
? MM0470 LOCKWASHER - M8 8
? TV3555 PLUG, BUTTON - 1 3/8" 1
? 58B-58-40000 BUTTON, PUSH-PULL (RETARD SPEED CONTROL) 1
? ED2863 POTENTIOMETER (RETARD SPEED CONTROL) 1
? PB5957 KNOB 1
? PC0490 SWITCH, ROCKER (ELECTRIC WINDOW) 2
? PC1375 BUTTON, PUSH-PULL (ENGINE SHUTDOWN) 1
? PC1377 BUTTON, PUSH (OVERRIDE/FAULT RESET) 1
? WB3548 NAME PLATE - FIRE SUPP 1
? WB3549 NAME PLATE - 2-WAY COM 1

Dump Trucks Komatsu / AFE59-EM 930E-4 S/N A31352  LAS PELAMBRES(AFE59-EM) / CENTER CONSOLE MODULE(214 : 61939)
?
?
?
?
?
?
?
?
?
?
?
?
?
?
?
?
?
?
?
?
?
?
?
?
?
?
?
?
?
?
?
?
?
?
?
?
?
?
?
?
?
?
?
?