| Номер на схеме | Каталожный номер | Название | Количество | Детали | |||
|---|---|---|---|---|---|---|---|
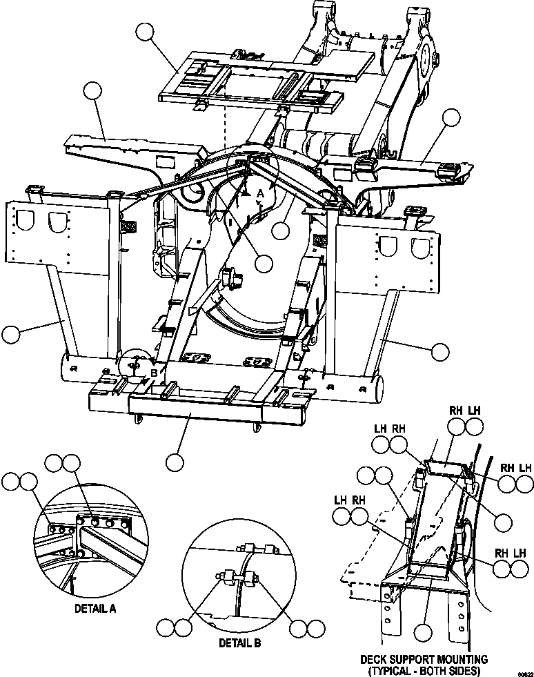
| ? | FRAME, MAIN (1) | 1 | |||||
| ? | UPRIGHT - L.H. (1) | 1 | |||||
| ? | UPRIGHT - R.H. (1) | 1 | |||||
| ? | MM0465 | FLAT WASHER - M20 | 16 | ||||
| ? | MM0168 | CAPSCREW - M20 X 2.50 X 180 | 8 | ||||
| ? | MM0182 | NUT - M20 X 2.50 | 8 | ||||
| ? | TUBE, ROPS - L.H. (1) | 1 | |||||
| ? | TUBE, ROPS - R.H. (1) | 1 | |||||
| ? | 01643-32460 | FLAT WASHER - M24 (HARDENED) | 16 | ||||
| ? | MM0058 | CAPSCREW - M24 X 3.00 X 60 | 16 | ||||
| ? | EL1255 | SUPPORT, DECK - R.H. | 1 | ||||
| ? | 01643-31645 | FLAT WASHER - M16 (HARDENED) | 12 | ||||
| ? | MM0071 | CAPSCREW - M16 X 2.00 X 45 | 12 | ||||
| ? | EK3908 | BACKER | 2 | ||||
| ? | EK3905 | BACKER, VERTICAL - R.H. | 2 | ||||
| ? | EK3904 | PLATE, END CAP - R.H. | 1 | ||||
| ? | EM3988 | SUPPORT, DECK - CENTER (2) | 1 | ||||
| ? | 58F-46-40010 | SUPPORT, DECK - CENTER (3) | 1 | ||||
| ? | 01643-32060 | FLAT WASHER - M20 (HARDENED) | 8 | ||||
| ? | MM0109 | CAPSCREW - M20 X 2.50 X 90 | 8 | ||||
| ? | EL1256 | SUPPORT, DECK - L.H. | 1 | ||||
| ? | EK3910 | BACKER, VERTICAL - L.H. | 2 | ||||
| ? | EK3914 | BACKER - L.H. | 2 | ||||
| ? | EK3909 | PLATE, END CAP - L.H. | 1 | ||||
| ? | ED4792 | BACKER | 2 | ||||
| ? | EK3915 | BACKER - R.H. | 2 | ||||
| ? | NOTE: (1) ORDER FROM FACTORY. | ||||||
| ? | (2) EFFECTIVE WITH A31409 & A31411 ONLY. | ||||||
| ? | (3) EFFECTIVE WITH A31417 & UP. |