| Наименование | Страница | Код страницы |
|---|---|---|
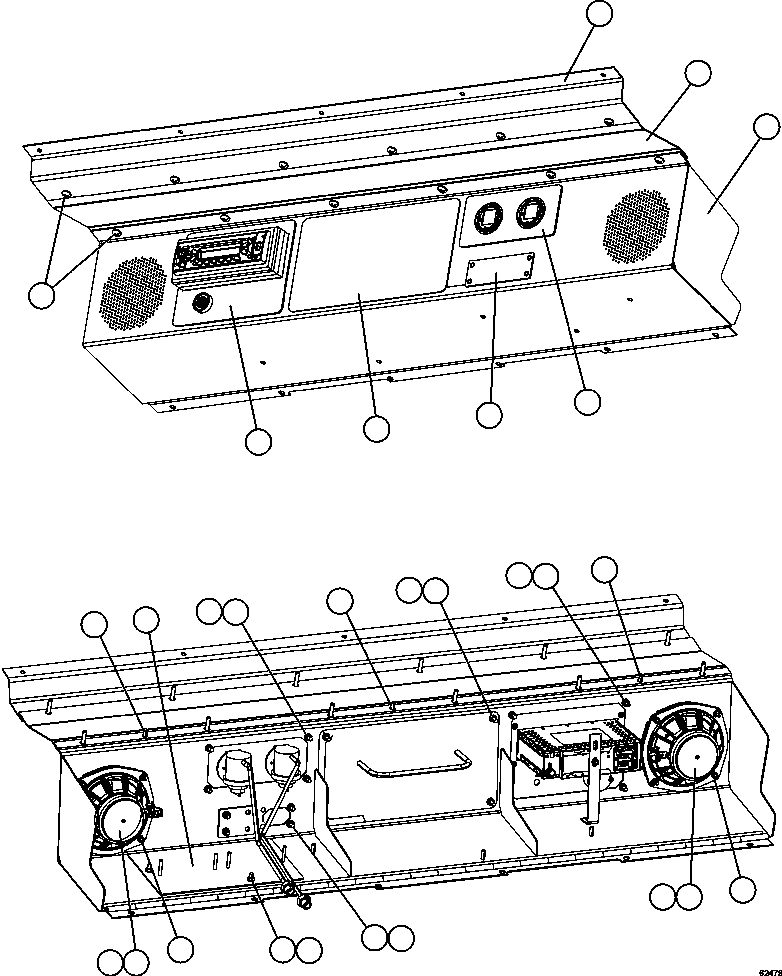
| RADIO MODULE | 204 | 43490 |
| AIR CLEANER RESTRICTION GAUGE MODULE | 206 | 56160 |
| Номер на схеме | Каталожный номер | Название | Количество | Детали | |||
|---|---|---|---|---|---|---|---|
| ? | EM0646 | PLATE, BLANK | 1 | ||||
| ? | XC0106 | COVER ASSEMBLY | 1 | ||||
| ? | XB9625 | DASH, OVERHEAD | 1 | ||||
| ? | EK2766 | PLATE | 1 | ||||
| ? | EL3810 | SHEET | 1 | ||||
| ? | PB8658 | SCREW - M6 X 1.00 X 30 | 12 | ||||
| ? | SM2682 | SCREW, COUNTERSUNK | 3 | ||||
| ? | PC0724 | SPEAKER ASSEMBLY | 2 | ||||
| ? | EM0177 | HARNESS, SPEAKER | 1 | ||||
| ? | WA3367 | NUT ASSEMBLY - #10 - 32NC | 8 | ||||
| ? | MM0176 | NUT - M6 X 1.00 | 18 | ||||
| ? | MM0207 | LOCKWASHER - M6 | 18 | ||||
| ? | XC2701 | PLATE, MOUNTING | 1 |