| Номер на схеме | Каталожный номер | Название | Количество | Детали | |||
|---|---|---|---|---|---|---|---|
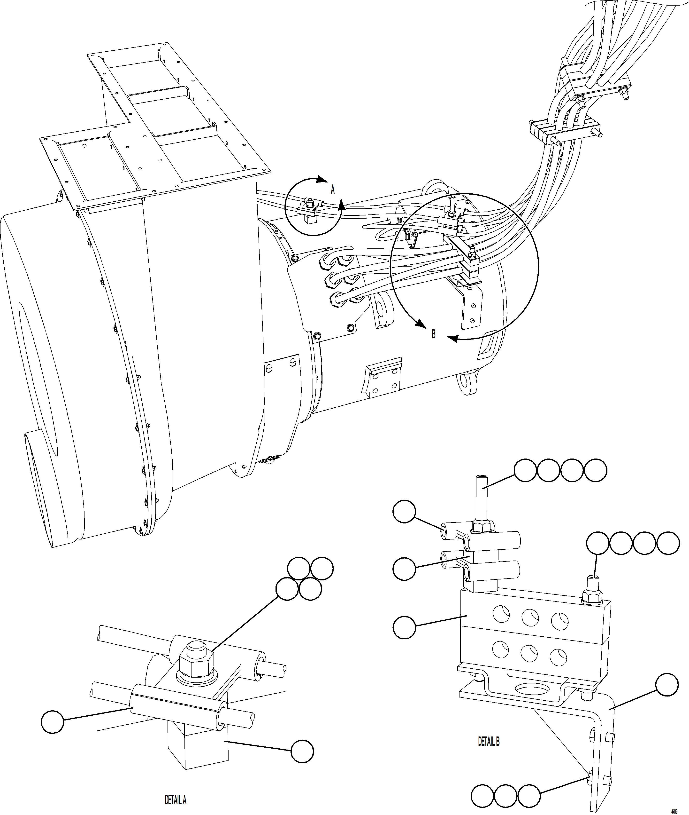
| ? | EK4014 | THREADED STUD - M16 X 2.00 X 305 | 1 | ||||
| ? | MM0464 | FLAT WASHER - M16 | 2 | ||||
| ? | MM0181 | NUT - M16 X 2.00 | 2 | ||||
| ? | MM0474 | LOCKWASHER - M16 | 2 | ||||
| ? | EC1090 | THREADED STUD - M16 X 2.00 X 184 | 1 | ||||
| ? | EL3705 | BRACKET | 1 | ||||
| ? | VC1387 | CAPSCREW - 1/2" - 13NC X 1" | 2 | ||||
| ? | TR5445 | LOCKWASHER - 1/2" | 2 | ||||
| ? | TR6008 | FLAT WASHER - 1/2" | 2 | ||||
| ? | XB1109 | CLAMP, UHMW | 2 | ||||
| ? | VA0609 | SPACER | 4 | ||||
| ? | ED8936 | CLEAT, CABLE | 6 | ||||
| ? | TV1749 | NUT - 5/8" - 11NC | 1 | ||||
| ? | VN6187 | STUD - 5/8" - 11NC X 5" | 1 | ||||
| ? | TR9082 | FLAT WASHER - 5/8" | 1 | ||||
| ? | VC1390 | LOCKWASHER - 5/8" | 1 |