k-part
Номер на схеме Каталожный номер Название Количество Детали
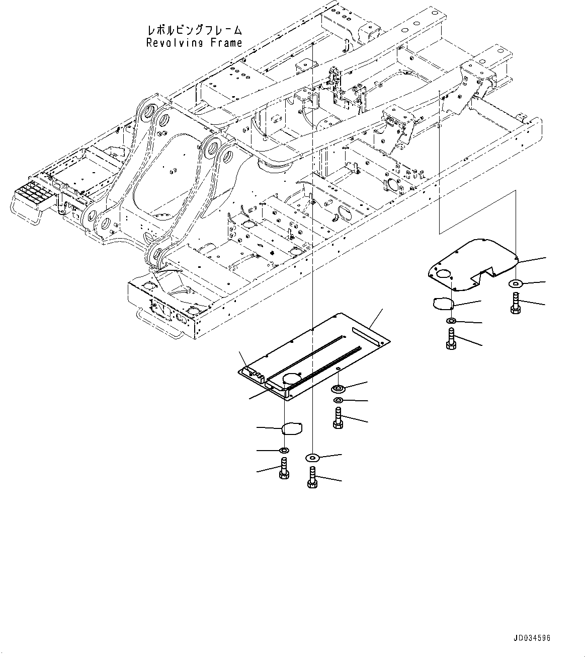
? 209-54-47571 Cover 1
SN: 70001-
KIT-FLAG: _-
SCC:
SERIALNO: 70001-
? 01010-81230 Bolt 8
SN: 70001-
KIT-FLAG: _-
SCC:
SERIALNO: 70001-
? 175-54-34170 Washer 8
SN: 70001-
KIT-FLAG: _-
SCC:
SERIALNO: 70001-
? 207-54-51440 Plate 1
SN: 70001-
KIT-FLAG: _-
SCC:
SERIALNO: 70001-
? 01010-81230 Bolt 2
SN: 70001-
KIT-FLAG: _-
SCC:
SERIALNO: 70001-
? 01643-31232 Washer 2
SN: 70001-
KIT-FLAG: _-
SCC:
SERIALNO: 70001-
? 209-54-41760 Cover 1
SN: 70001-
KIT-FLAG: _-
SCC:
SERIALNO: 70001-
? 209-54-41482 • Sheet 1
SN: 70001-
KIT-FLAG: _-
SCC:
SERIALNO: 70001-
? 209-54-41493 • Sheet 1
SN: 70001-
KIT-FLAG: _-
SCC:
SERIALNO: 70001-
? 01010-81230 Bolt 9
SN: 70001-
KIT-FLAG: _-
SCC:
SERIALNO: 70001-
? 175-54-34170 Washer 9
SN: 70001-
KIT-FLAG: _-
SCC:
SERIALNO: 70001-
? 01010-81230 Bolt 1
SN: 70001-
KIT-FLAG: _-
SCC:
SERIALNO: 70001-
? 01643-31232 Washer 1
SN: 70001-
KIT-FLAG: _-
SCC:
SERIALNO: 70001-
? 20Y-54-12550 Collar 1
SN: 70001-
KIT-FLAG: _-
SCC:
SERIALNO: 70001-
? 207-54-51440 Plate 1
SN: 70001-
KIT-FLAG: _-
SCC:
SERIALNO: 70001-
? 01010-81230 Bolt 2
SN: 70001-
KIT-FLAG: _-
SCC:
SERIALNO: 70001-
? 01643-31232 Washer 2
SN: 70001-
KIT-FLAG: _-
SCC:
SERIALNO: 70001-

Excavators Komatsu / PC800SE-8R1 S/N 70001-UP(0000751C) / Under Cover, Center and R.H. (#70001-)(M022002 : M1810-003002)
?
?
?
?
?
?
?
?
?
?
?
?
?
?
?
?
?