| Номер на схеме | Каталожный номер | Название | Количество | Детали | |||
|---|---|---|---|---|---|---|---|
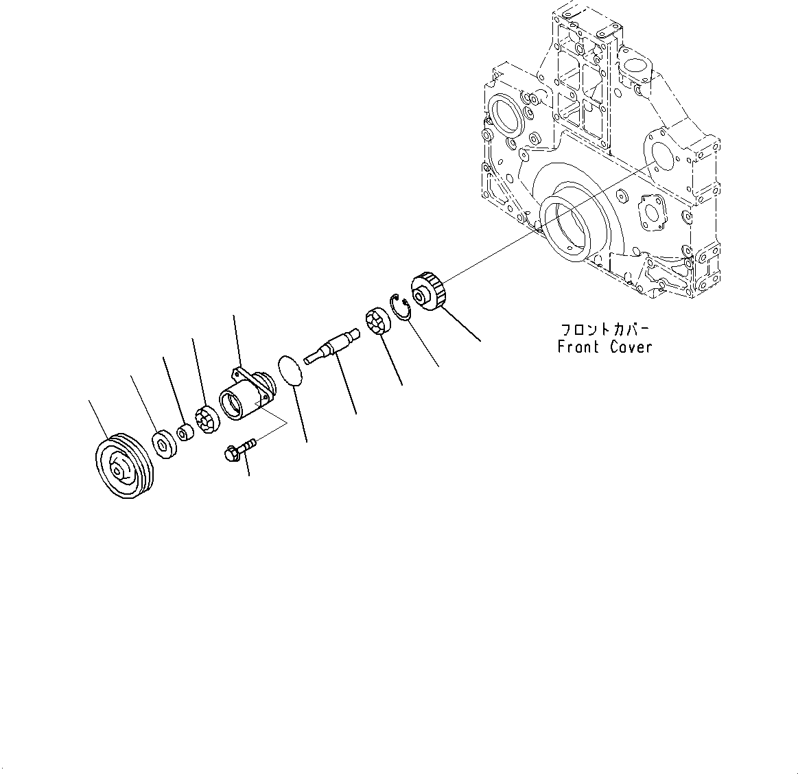
| ? | 6210-21-6400 | Cover Assembly | 3 | SN: 535703- KIT-FLAG: _- SCC: SERIALNO: 535703- |
|||
| ? | 6210-21-6410 | • Cover, Cam Follower | 1 | SN: 535703- KIT-FLAG: _- SCC: SERIALNO: 535703- |
|||
| ? | 6217-21-6880 | • O-ring | 1 | SN: 535703- KIT-FLAG: S- SCC: SERIALNO: 535703- |
|||
| ? | 6210-21-6471 | Bolt | 9 | SN: 535703- KIT-FLAG: _- SCC: SERIALNO: 535703- |
|||
| ? | 6150-21-6391 | Packing | 9 | SN: 535703- KIT-FLAG: S- SCC: SERIALNO: 535703- |