k-part
Номер на схеме Каталожный номер Название Количество Детали
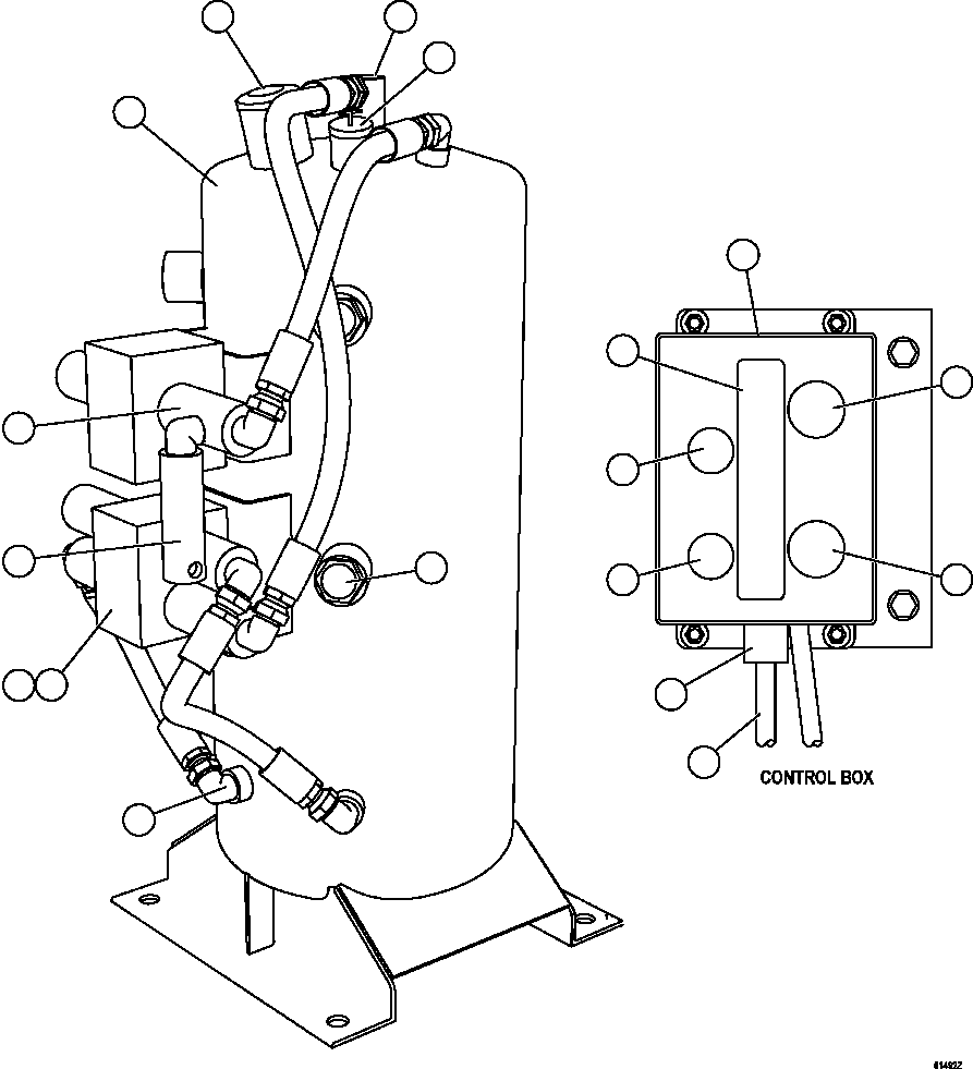
? TANK, OIL RESERVE 1
? XA0003 VALVE, AIR RELIEF 1
? BF3351 CAP, FILLER 1
? BF3360 SWITCH, FLOAT W/ADAPTER HEAD 1
? XA2343 • SWITCH, FLOAT 1
? BF3352 GLASS, SIGHT 4
? BF3357 VALVE, FILL 1
? XA0002 SCREEN, IN-LINE 1
? XA2538 PUMP 1
? BF5020 LED, RED (6 VOLT) 1
? XA1896 SCREEN, TANK 1
? XA0005 CABLES, ELECTRICAL 1
? BF3361 BOX, AUTOMATIC TANK FILL CONTROL 1
? XA3903 • BOX 1
? XA2344 • RELAY 1
? XA3905 • BLOCK, TERMINAL 1
? XA3904 • HARNESS, PANEL 1
? XA2345 • SWITCH, POWER 1
? XA2342 • SWITCH, START 1
? BF5021 • LIGHT, LED - AMBER (24 VDC) 1
? BF5022 • LIGHT, LED - RED (24 VDC) 1
? BF3355 • CONNECTOR, CABLE 3
? XA3906 • LABEL, FRONT COVER 1
? NOTE: NS = NOT SHOWN
? PC0915 KIT, ENGINE ADAPTATION 1
? BF3354 SWITCH, OIL PRESSURE 1

Dump Trucks Komatsu / AFE57-DT 830E-1AC S/N A30545 - A30546    BARRICK BALD MOUNTAIN(AFE57-DT) / RESERVE SYSTEM KIT               PC2799(610 : 61492)
?
?
?
?
?
?
?
?
?
?
?
?
?
?
?
?
?
?