k-part
Номер на схеме Каталожный номер Название Количество Детали
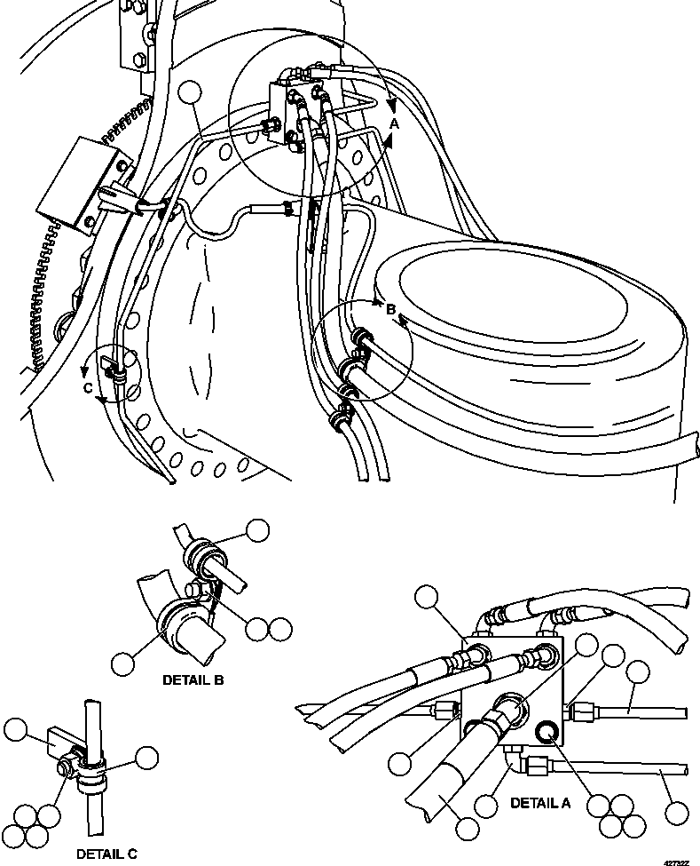
? TZ7335 TUBE 2
? WB3098 CLAMP, CUSHION - 3/8" 6
? C1521 NUT - 3/8" - 16NC 6
? C0312 LOCKWASHER - 3/8" 14
? TY2147 BLOCK, JUNCTION 2
? WB0581 FITTING, STRAIGHT 4
? TZ7334 TUBE 1
? TZ7336 TUBE 2
? C8558 CAPSCREW - 3/8" - 16NC X 3 1/4" 4
? DF3042 FLAT WASHER - 3/8" 4
? VW5169 SPACER 4
? WB0505 FITTING, ELBOW - 90 DEG 2
? HA5564 HOSE, SUPPLY (TO JUNCTION BLOCK) 2
? C1602 CAPSCREW - 3/8" - 16NC X 1" 8
? TR4436 FLAT WASHER - 3/8" 4
? TZ7333 BAR, FLAT 4
? WB3093 CLAMP, CUSHION - 1" 2
? WB0538 FITTING, ELBOW - 45 DEG (AT JUNCTION BLOCK) 2

Dump Trucks Komatsu / AFE57-DT 830E-1AC S/N A30545 - A30546    BARRICK BALD MOUNTAIN(AFE57-DT) / FRONT BRAKE PIPING  2/2(504 : 42732)
?
?
?
?
?
?
?
?
?
?
?
?
?
?
?
?
?
?
?
?
?
?
?