k-part
Номер на схеме Каталожный номер Название Количество Детали
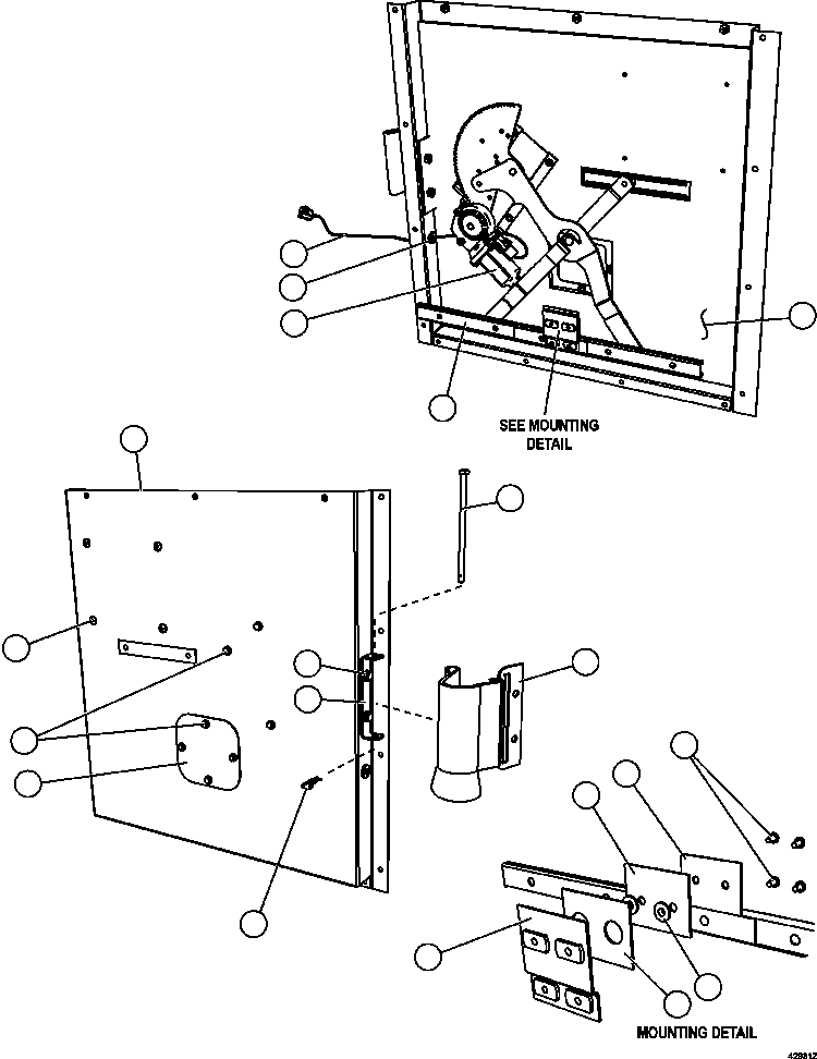
? SM3010 HARNESS, POWER WINDOW 1
? SL9490 GROMMET, RUBBER 1
? SM2741 WINDOW REGULATOR AND MOTOR - RH 1
? EL5788 CHANNEL, WINDOW LIFT 1
? SM5391 INSULATION, PANEL - RH 1
? EL1022 CAPSCREW - DRILLED 1
? SM2165 BRACKET, DOOR STRAP 1
? XB4573 STRAP, DOOR CHECK 1
? MM0357 MACHINE SCREW - M6 X 1.00 X 12 4
? SM2832 BRACKET, WINDOW LIFT 1
? SM2260 GASKET 1
? SM2300 BUSHING, NYLON 2
? SM2261 GASKET 1
? EL5721 BRACKET, OUTER 1
? SM2322 CLIP, HAIR PIN 1
? WB3560 CAPSCREW - M8 X 1.25 X 12 2
? SM2294 COVER, INNER ACCESS 1
? WB3559 CAPSCREW - M6 X 1.00 X 12 8
? SM0926 SCREW - M6 X 1.00 4
? SM2739 PANEL, INNER - RH 1

Dump Trucks Komatsu / AFE57-DZ 830E-1AC S/N A30561 - A30562      MT. THORLEY(AFE57-DZ) / INNER DOOR PANEL - RH     EL2747(146 : 42931)
?
?
?
?
?
?
?
?
?
?
?
?
?
?
?
?
?
?
?
?