k-part
Номер на схеме Каталожный номер Название Количество Детали
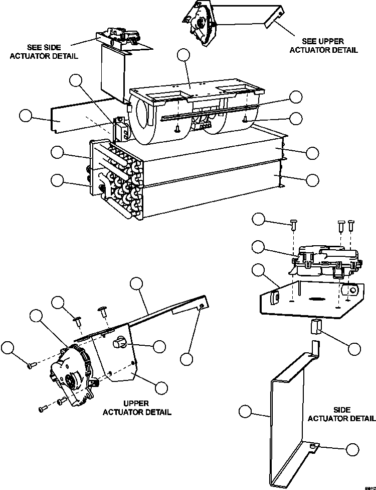
? EM0053 BLOWER ASSEMBLY 1
? EM0094 BLOWER RETAINER 1
? EM0067 SCREW 4
? EM0052 HEATER CORE 1
? EM0051 EVAPORATOR CORE 1
? EM0083 SCREW 6
? EM0060 ACTUATOR 2
? EM0075 BRACKET 1
? EM0089 DRIVE ADAPTER 2
? EM0086 PIVOT BUSHING 2
? EM0091 DAMPER DOOR (SIDE) 1
? EM0073 BRACKET 1
? EM0090 DAMPER DOOR (UP) 1
? EM0072 FOAM 2
? EM0071 FOAM 1
? EM0062 THERMOSTAT 1

Dump Trucks Komatsu / AFE57-DZ 830E-1AC S/N A30561 - A30562      MT. THORLEY(AFE57-DZ) / HEATER/AIR CONDITIONER ASSEMBLY  2/2   PC2600(226 : 51011)
?
?
?
?
?
?
?
?
?
?
?
?
?
?
?
?
?
?
?
?
?
?