| Номер на схеме | Каталожный номер | Название | Количество | Детали | |||
|---|---|---|---|---|---|---|---|
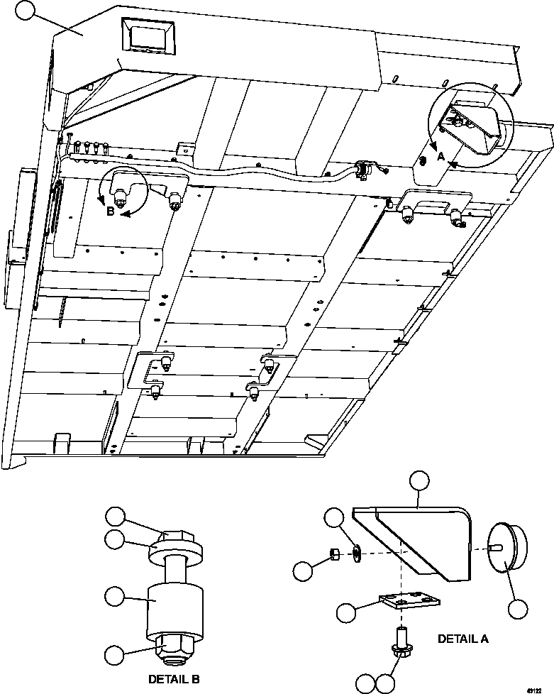
| ? | XB6407 | DECK, RH | 1 | ||||
| ? | EJ2443 | BRACKET | 1 | ||||
| ? | D104556 | BUMPER, RADIATOR STABILIZER | 1 | ||||
| ? | MM0031 | CAPSCREW - M20 X 2.50 X 45 | 4 | ||||
| ? | MM0707 | FLAT WASHER - M20 | 4 | ||||
| ? | EC7589 | PLATE | 1 | ||||
| ? | TR6643 | NUT - 1/2" - 13NC | 1 | ||||
| ? | VC7836 | FLAT WASHER - 1/2" | 1 | ||||
| ? | MM0697 | LOCKNUT - M20 X 2.50 | 8 | ||||
| ? | EG9144 | SPACER | 8 | ||||
| ? | EC7594 | FLAT WASHER - 3/4" | 8 | ||||
| ? | MM0128 | CAPSCREW - M20 X 2.50 X 110 | 8 |