| Номер на схеме | Каталожный номер | Название | Количество | Детали | |||
|---|---|---|---|---|---|---|---|
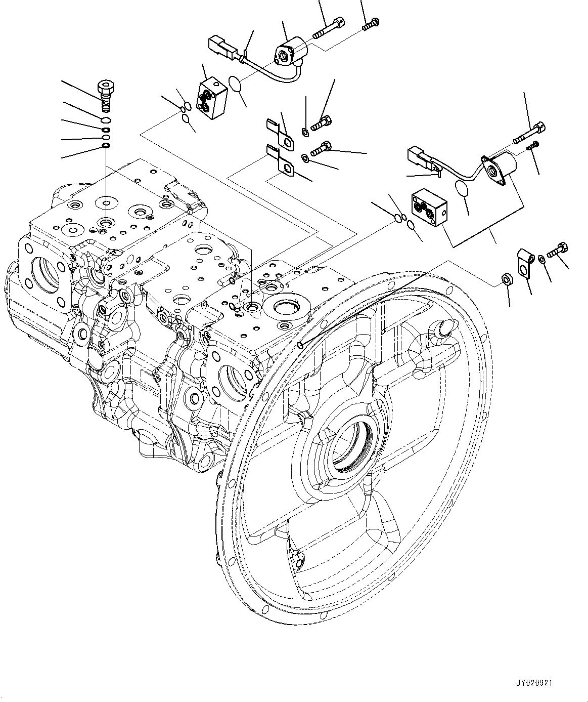
| ? | 708-2G-00180 | Pump Assembly | 1 | SN: 80001-80064 KIT-FLAG: _- SCC: SERIALNO: 80001-80064 |
|||
| ? | 702-21-62200 | • Valve, Pilot | 1 | SN: 80001-80064 KIT-FLAG: _- SCC: SERIALNO: 80001-80064 |
|||
| ? | 720-1L-15440 | • • O-ring | 1 | SN: 80001-80064 KIT-FLAG: _- SCC: SERIALNO: 80001-80064 |
|||
| ? | 720-1L-15430 | • • O-ring | 1 | SN: 80001-80064 KIT-FLAG: _- SCC: SERIALNO: 80001-80064 |
|||
| ? | 702-21-54180 | • • Screw | 2 | SN: 80001-80064 KIT-FLAG: _- SCC: SERIALNO: 80001-80064 |
|||
| ? | 702-16-58320 | • • O-ring | 2 | SN: 80001-80064 KIT-FLAG: _- SCC: SERIALNO: 80001-80064 |
|||
| ? | 01252-60635 | • Bolt, Hexagon Socket Head | 2 | SN: 80001-80064 KIT-FLAG: _- SCC: SERIALNO: 80001-80064 |
|||
| ? | 20Y-62-22790 | • Band, Red | 1 | SN: 80001-80064 KIT-FLAG: _- SCC: SERIALNO: 80001-80064 |
|||
| ? | 702-21-62900 | • Valve, Pilot | 1 | SN: 80001-80064 KIT-FLAG: _- SCC: SERIALNO: 80001-80064 |
|||
| ? | 720-1L-15440 | • • O-ring | 1 | SN: 80001-80064 KIT-FLAG: _- SCC: SERIALNO: 80001-80064 |
|||
| ? | 720-1L-15430 | • • O-ring | 1 | SN: 80001-80064 KIT-FLAG: _- SCC: SERIALNO: 80001-80064 |
|||
| ? | 702-21-54180 | • • Screw | 2 | SN: 80001-80064 KIT-FLAG: _- SCC: SERIALNO: 80001-80064 |
|||
| ? | 702-16-58320 | • • O-ring | 2 | SN: 80001-80064 KIT-FLAG: _- SCC: SERIALNO: 80001-80064 |
|||
| ? | 01252-60635 | • Bolt, Hexagon Socket Head | 2 | SN: 80001-80064 KIT-FLAG: _- SCC: SERIALNO: 80001-80064 |
|||
| ? | 20Y-62-22830 | • Band, White | 1 | SN: 80001-80064 KIT-FLAG: _- SCC: SERIALNO: 80001-80064 |
|||
| ? | (708-2G-15680) | • Plug | 2 | SN: 80001-80064 KIT-FLAG: _- SCC: C2 SERIALNO: 80001-80064 |
|||
| ? | 07000-B1008 | • O-ring | 2 | SN: 80001-80064 KIT-FLAG: _- SCC: SERIALNO: 80001-80064 |
|||
| ? | 07001-01008 | • Ring, Back-up | 4 | SN: 80001-80064 KIT-FLAG: _- SCC: SERIALNO: 80001-80064 |
|||
| ? | 07002-61423 | • O-ring | 2 | SN: 80001-80064 KIT-FLAG: _- SCC: SERIALNO: 80001-80064 |
|||
| ? | 01643-31232 | • Washer | 3 | SN: 80001-80064 KIT-FLAG: _- SCC: SERIALNO: 80001-80064 |
|||
| ? | 01010-81220 | • Bolt | 2 | SN: 80001-80064 KIT-FLAG: _- SCC: SERIALNO: 80001-80064 |
|||
| ? | 08193-21012 | • Clip | 2 | SN: 80001-80064 KIT-FLAG: _- SCC: SERIALNO: 80001-80064 |
|||
| ? | 708-2G-19130 | • Spacer | 1 | SN: 80001-80064 KIT-FLAG: _- SCC: SERIALNO: 80001-80064 |
|||
| ? | 01010-81235 | • Bolt | 1 | SN: 80001-80064 KIT-FLAG: _- SCC: SERIALNO: 80001-80064 |
|||
| ? | 04434-50612 | • Clip | 1 | SN: 80001-80064 KIT-FLAG: _- SCC: SERIALNO: 80001-80064 |