k-part
Номер на схеме Каталожный номер Название Количество Детали
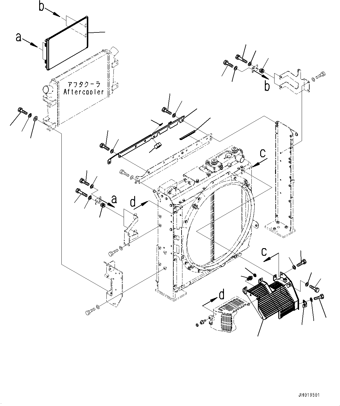
? 6110-23-6490 Spacer 4
SN: 80699-
KIT-FLAG: _-
SCC:
SERIALNO: 80699-
? 01010-81045 Bolt 4
SN: 80699-
KIT-FLAG: _-
SCC:
SERIALNO: 80699-
? 01643-31032 Washer 4
SN: 80699-
KIT-FLAG: _-
SCC:
SERIALNO: 80699-
? 208-979-7520 Condenser Assembly 1
SN: 80699-
KIT-FLAG: _-
SCC:
SERIALNO: 80699-
? 01010-80612 Bolt 8
SN: 80699-
KIT-FLAG: _-
SCC:
SERIALNO: 80699-
? 01643-30623 Washer 8
SN: 80699-
KIT-FLAG: _-
SCC:
SERIALNO: 80699-
? 20Y-810-1240 Cushion 4
SN: 80699-
KIT-FLAG: _-
SCC:
SERIALNO: 80699-
? 01010-80835 Bolt 4
SN: 80699-
KIT-FLAG: _-
SCC:
SERIALNO: 80699-
? 01643-30823 Washer 4
SN: 80699-
KIT-FLAG: _-
SCC:
SERIALNO: 80699-
? 207-03-72521 Cover 1
SN: 80699-
KIT-FLAG: _-
SCC:
SERIALNO: 80699-
? 208-03-71770 Seal 1
SN: 80699-
KIT-FLAG: _-
SCC:
SERIALNO: 80699-
? 01010-81230 Bolt 2
SN: 80699-
KIT-FLAG: _-
SCC:
SERIALNO: 80699-
? 01643-31232 Washer 2
SN: 80699-
KIT-FLAG: _-
SCC:
SERIALNO: 80699-
? 01010-81020 Bolt 2
SN: 80699-
KIT-FLAG: _-
SCC:
SERIALNO: 80699-
? 01643-31032 Washer 2
SN: 80699-
KIT-FLAG: _-
SCC:
SERIALNO: 80699-
? 207-03-76460 Seal 1
SN: 80699-
KIT-FLAG: _-
SCC:
SERIALNO: 80699-
? 208-60-75120 Trim 1
SN: 80699-
KIT-FLAG: _-
SCC:
SERIALNO: 80699-
? 207-03-81570 Guard 1
SN: 80699-
KIT-FLAG: _-
SCC:
SERIALNO: 80699-
? • Guard 1
SN: 80699-
KIT-FLAG: _-
SCC: C1
SERIALNO: 80699-
? 208-03-72310 • Grommet 2
SN: 80699-
KIT-FLAG: _-
SCC:
SERIALNO: 80699-
? 01026-A1225 • Bolt 2
SN: 80699-
KIT-FLAG: _-
SCC:
SERIALNO: 80699-
? 01010-81225 Bolt 5
SN: 80699-
KIT-FLAG: _-
SCC:
SERIALNO: 80699-
? 01643-31232 Washer 5
SN: 80699-
KIT-FLAG: _-
SCC:
SERIALNO: 80699-
? 207-979-6180 Bracket 1
SN: 80699-
KIT-FLAG: _-
SCC:
SERIALNO: 80699-
? 01010-81225 Bolt 1
SN: 80699-
KIT-FLAG: _-
SCC:
SERIALNO: 80699-
? 01643-31232 Washer 1
SN: 80699-
KIT-FLAG: _-
SCC:
SERIALNO: 80699-

Excavators Komatsu / PC350LC-8M0 S/N 80001-UP(0000758C) / Cooling System, Aftercooler and Condenser (#80699-)(C002003 : C0100-008003)
?
?
?
?
?
?
?
?
?
?
?
?
?
?
?
?
?
?
?
?
?
?
?
?
?
?
?
?
?
?
?
?