k-part
Номер на схеме Каталожный номер Название Количество Детали
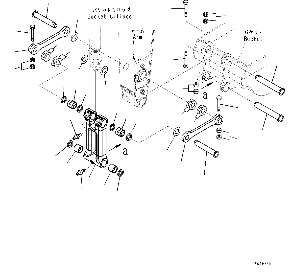
? 207-70-00480 Link Assembly 1
SN: 80001-@
KIT-FLAG: _-
SCC:
SERIALNO: 80001-@
? • Link 1
SN: 80001-@
KIT-FLAG: _-
SCC: C1
SERIALNO: 80001-@
? 207-70-33160 • Bushing 2
SN: 80001-@
KIT-FLAG: _-
SCC:
SERIALNO: 80001-@
? 207-70-33160 • Bushing 2
SN: 80001-@
KIT-FLAG: _-
SCC:
SERIALNO: 80001-@
? 07020-00000 • Fitting, Grease 3
SN: 80001-@
KIT-FLAG: _-
SCC:
SERIALNO: 80001-@
? 207-70-72120 • Seal, Dust 6
SN: 80001-@
KIT-FLAG: _-
SCC:
SERIALNO: 80001-@
? 207-70-33120 Link 2
SN: 80001-@
KIT-FLAG: _-
SCC:
SERIALNO: 80001-@
? 207-70-73210 Pin 2
SN: 80001-80170
KIT-FLAG: _-
SCC:
SERIALNO: 80001-80170
? 207-70-33141 Pin 2
SN: 80001-80170
KIT-FLAG: _-
SCC:
SERIALNO: 80001-80170
? 208-70-73160 Bolt 4
SN: 80001-@
KIT-FLAG: _-
SCC:
SERIALNO: 80001-@
? 01580-12419 Nut 8
SN: 80001-@
KIT-FLAG: _-
SCC:
SERIALNO: 80001-@
? 207-70-24190 Spacer, T=0.8mm 8
SN: 80001-@
KIT-FLAG: _-
SCC:
SERIALNO: 80001-@
? 207-70-24210 Spacer, T=1.5mm 4
SN: 80001-@
KIT-FLAG: _-
SCC:
SERIALNO: 80001-@

Excavators Komatsu / PC350LC-8M0 S/N 80001-UP(0000758C) / Arm, Bucket Link (#80001-80170)(T022003 : T1200-049003)
?
?
?
?
?
?
?
?
?
?
?
?
?
?
?
?
?
?
?
?
?
?
?
?
?
?
?
?
?
?
?
?
?
?
?