| Номер на схеме | Каталожный номер | Название | Количество | Детали | |||
|---|---|---|---|---|---|---|---|
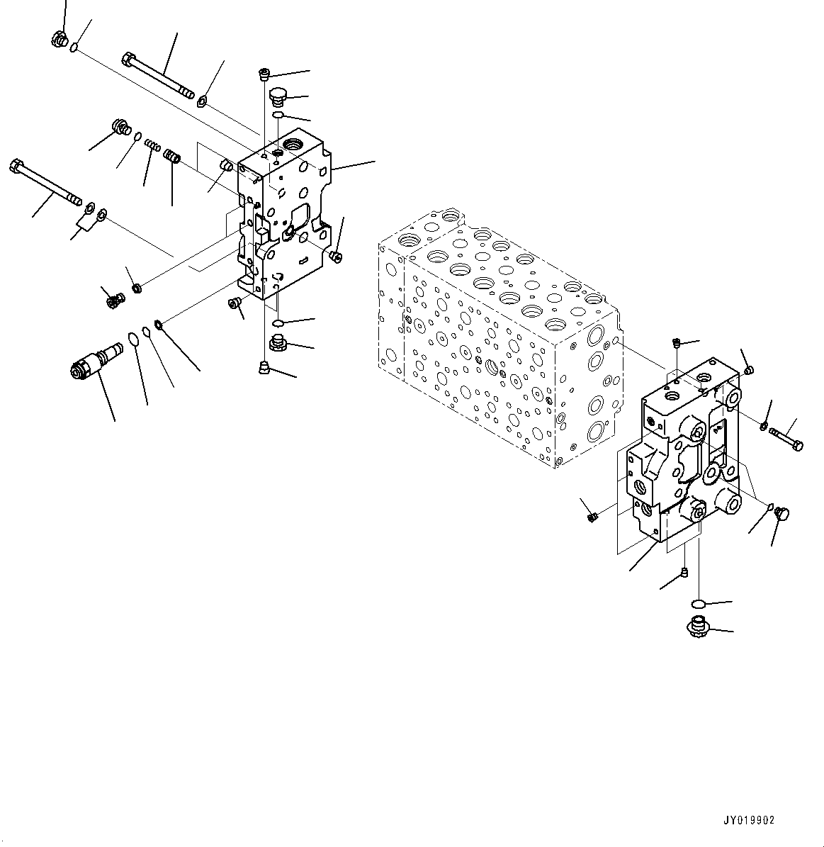
| ? | 723-47-25602 | Valve Assembly, Control | 1 | SN: 80702- KIT-FLAG: _- SCC: SERIALNO: 80702- |
|||
| ? | 723-47-25601 | Valve Assembly, Control | 1 | SN: 80065-80701 KIT-FLAG: _- SCC: A2 SERIALNO: 80065-80701 |
|||
| ? | 723-47-25600 | Valve Assembly, Control | 1 | SN: 80001-80064 KIT-FLAG: _- SCC: A2 SERIALNO: 80001-80064 |
|||
| ? | 723-46-00660 | • Cover Assembly | 1 | SN: 80001- KIT-FLAG: _- SCC: SERIALNO: 80001- |
|||
| ? | • • Cover | 1 | SN: 80001- KIT-FLAG: _- SCC: C1 SERIALNO: 80001- |
||||
| ? | 708-21-12541 | • • Plug, Stocking | 7 | SN: 80001- KIT-FLAG: _- SCC: SERIALNO: 80001- |
|||
| ? | 708-21-12531 | • • Plug | 1 | SN: 80001- KIT-FLAG: _- SCC: SERIALNO: 80001- |
|||
| ? | 723-46-00990 | • Cover Assembly | 1 | SN: 80001- KIT-FLAG: _- SCC: SERIALNO: 80001- |
|||
| ? | • • Cover | 1 | SN: 80001- KIT-FLAG: _- SCC: C1 SERIALNO: 80001- |
||||
| ? | 708-21-12541 | • • Plug, Stocking | 10 | SN: 80001- KIT-FLAG: _- SCC: SERIALNO: 80001- |
|||
| ? | 708-8E-16250 | • Plug | 4 | SN: 80001- KIT-FLAG: _- SCC: SERIALNO: 80001- |
|||
| ? | 07002-11823 | • O-ring | 4 | SN: 80001- KIT-FLAG: _- SCC: SERIALNO: 80001- |
|||
| ? | 723-46-17600 | • Plug Assembly | 1 | SN: 80001- KIT-FLAG: _- SCC: SERIALNO: 80001- |
|||
| ? | 07002-11423 | • • O-ring | 1 | SN: 80001- KIT-FLAG: _- SCC: SERIALNO: 80001- |
|||
| ? | 07000-11007 | • • O-ring | 1 | SN: 80001- KIT-FLAG: _- SCC: SERIALNO: 80001- |
|||
| ? | 07001-01007 | • • Ring, Back-up | 1 | SN: 80001- KIT-FLAG: _- SCC: SERIALNO: 80001- |
|||
| ? | 723-40-82220 | • Filter | 2 | SN: 80001- KIT-FLAG: _- SCC: SERIALNO: 80001- |
|||
| ? | 723-46-17550 | • Plug | 2 | SN: 80001- KIT-FLAG: _- SCC: SERIALNO: 80001- |
|||
| ? | 723-46-15190 | • Valve | 2 | SN: 80001- KIT-FLAG: _- SCC: SERIALNO: 80001- |
|||
| ? | 723-46-14140 | • Spring | 2 | SN: 80001- KIT-FLAG: _- SCC: SERIALNO: 80001- |
|||
| ? | 708-8E-16160 | • Plug | 2 | SN: 80001- KIT-FLAG: _- SCC: SERIALNO: 80001- |
|||
| ? | 07002-11023 | • O-ring | 2 | SN: 80001- KIT-FLAG: _- SCC: SERIALNO: 80001- |
|||
| ? | 709-74-91860 | • Plug | 1 | SN: 80001- KIT-FLAG: _- SCC: SERIALNO: 80001- |
|||
| ? | 07002-12434 | • O-ring | 1 | SN: 80001- KIT-FLAG: _- SCC: SERIALNO: 80001- |
|||
| ? | 708-8H-11530 | • Plug | 1 | SN: 80001- KIT-FLAG: _- SCC: SERIALNO: 80001- |
|||
| ? | 07002-11423 | • O-ring | 1 | SN: 80001- KIT-FLAG: _- SCC: SERIALNO: 80001- |
|||
| ? | 01010-61490 | • Bolt | 4 | SN: 80001- KIT-FLAG: _- SCC: SERIALNO: 80001- |
|||
| ? | 01643-31445 | • Washer, Flat | 10 | SN: 80001- KIT-FLAG: _- SCC: SERIALNO: 80001- |
|||
| ? | 01011-61455 | • Bolt | 4 | SN: 80001- KIT-FLAG: _- SCC: SERIALNO: 80001- |