k-part
Номер на схеме Каталожный номер Название Количество Детали
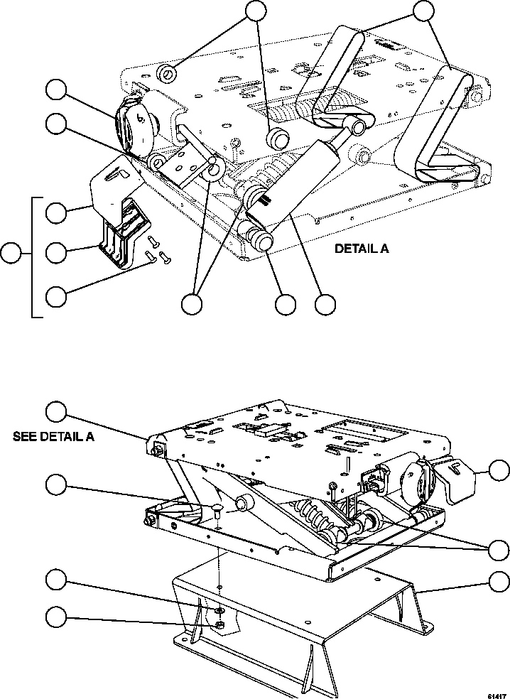
? EM4056 RISER 1
? XA4454 FLAT WASHER - M8 4
? XA4455 LOCK NUT - M8 4
? XA4458 BOLT, CARRIAGE - M8 X 20 4
? XA4461 SUSPENSION ASSEMBLY 1
? XA4469 SHOCK 1
? XA4468 ROLLER, SMALL 4
? XA4473 STRAP, REBOUND 2
? XA4471 ADJUSTMENT KNOB ASSEMBLY 1
? XA4472 HEIGHT ADJUSTMENT LEVER ASSEMBLY 1
? XA4484 • HEIGHT ADJUSTMENT COVER, TOP 1
? XA4483 • HEIGHT ADJUSTMENT COVER, BOTTOM 1
? XA4482 • SCREW 3
? XA4470 ROLLER, LARGE 2

Dump Trucks Komatsu / AFE57-EY 830E-1AC S/N A30639 - A30640    HUNTER VALLEY(AFE57-EY) / PASSENGER SEAT ASSM  2/2       PC2550(176 : 61417)
?
?
?
?
?
?
?
?
?
?
?
?
?
?
?
?
?
?