| Номер на схеме | Каталожный номер | Название | Количество | Детали | |||
|---|---|---|---|---|---|---|---|
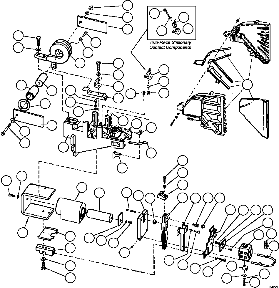
| ? | GE1010 | BRACKET, SUPPORT | 1 | ||||
| ? | GE1011 | INTERLOCK, MECHANICAL | 1 | ||||
| ? | GE1012 | LATCH SPRING, ARC CHUTE | 1 | ||||
| ? | GE1013 | LEVER | 1 | ||||
| ? | GE1014 | HOLD-ON IRON | 1 | ||||
| ? | GE1015 | SCREW, SELF-TAPPING - #10 | 1 | ||||
| ? | GE1016 | FLAT WASHER - 5/16" | 4 | ||||
| ? | GE1017 | LOCKWASHER - 5/16" | 2 | ||||
| ? | GE1018 | CAPSCREW, SOCKET HEAD - 5/16" - 18NC X 1 1/2" | 2 | ||||
| ? | GE1019 | TERMINAL, PIVOT | 1 | ||||
| ? | GE1020 | SPRING, LEAF | 1 | ||||
| ? | GE1021 | LOCKWASHER | 2 | ||||
| ? | GE1022 | CAPSCREW, SOCKET HEAD - 5/16" - 18NC X 1 1/4" | 2 | ||||
| ? | GE1023 | SPRING, WIPE | 3 | ||||
| ? | GE1024 | SPRING, PIVOT | 3 | ||||
| ? | GE1025 | CAP, PIVOT SPRING | 3 | ||||
| ? | VJ6523 | CONTACT, STATIONARY - 1 PIECE | 3 | ||||
| ? | VJ3236 | CONTACT, STATIONARY - 2 PIECE, LOWER | 3 | ||||
| ? | VJ3235 | CONTACT, STATIONARY - 2 PIECE, UPPER | 3 | ||||
| ? | GE1026 | LOCKWASHER - #10 | 3 | ||||
| ? | VE7247 | CAPSCREW, SOCKET HEAD - #10 - 32NF X 7/8" | 3 | ||||
| ? | GE0696 | KIT, ARC CHUTE | 1 | ||||
| ? | GE1052 | LOCKWASHER - 1/4" | 1 | ||||
| ? | C1520 | NUT - 5/16" - 18NC | 1 | ||||
| ? | GE1028 | LOCKWASHER - 5/16" | 2 | ||||
| ? | GE1029 | PLATE, POLE | 2 | ||||
| ? | GE1022 | CAPSCREW, SOCKET HEAD - 5/16" - 18NC X 1 1/4" | 2 | ||||
| ? | GE1017 | LOCKWASHER - 5/16" | 2 | ||||
| ? | GE1030 | KIT, BLOW OUT COIL | 1 | ||||
| ? | GE1031 | CAPSCREW - 3/8" - 16NC X 1 1/4" | 2 | ||||
| ? | GE1032 | FLAT WASHER - 3/8" | 2 | ||||
| ? | GE1033 | CORE, MAGNET | 1 | ||||
| ? | GE1034 | SHEET, INSULATING | 1 | ||||
| ? | GE1035 | SPACER, INSULATING | 2 | ||||
| ? | GE1036 | CAPSCREW - 5/16" - 18NC X 4 1/2" | 1 | ||||
| ? | GE1037 | SCREW, FLAT HEAD - 3/8" - 16NC X 1" | 1 | ||||
| ? | GE1038 | LOCKWASHER, COUNTERSUNK | 1 | ||||
| ? | GE1039 | YOKE | 1 | ||||
| ? | GE1040 | SCREW, SOCKET HEAD - 5/16" - 18NC X 1" | 2 | ||||
| ? | GE1017 | LOCKWASHER - 5/16" | 2 | ||||
| ? | GE1041 | TERMINAL, BOTTOM | 1 | ||||
| ? | GE1042 | GUIDE, ARMATURE | 1 | ||||
| ? | GE1043 | COIL | 1 | ||||
| ? | GE1044 | CORE, MAGNET | 1 | ||||
| ? | GE1045 | PLATE, POLE | 1 | ||||
| ? | VJ5672 | LOCKWASHER, COUNTERSUNK - 1/4" | 1 | ||||
| ? | GE1046 | SCREW - 1/4" - 20NC X 1/4" | 1 | ||||
| ? | GE1047 | SETSCREW - 1/4" - 20NC X 1/4" | 2 | ||||
| ? | GE1048 | PIN, SHOULDER | 2 | ||||
| ? | GE1049 | ARMATURE ASSEMBLY | 1 | ||||
| ? | GE1050 | OPEN STOP | 1 | ||||
| ? | GE1051 | SCREW, SOCKET HEAD - 1/4" - 20NC X 1" | 2 | ||||
| ? | GE1052 | LOCKWASHER - 1/4" | 2 | ||||
| ? | GE1053 | CONTACT, MOVABLE | 1 | ||||
| ? | GE1054 | SUPPORT, MOVABLE CONTACT | 1 | ||||
| ? | GE1055 | MAGNET, HOLD-ON | 1 | ||||
| ? | GE1056 | SPRING, CONTACT | 2 | ||||
| ? | GE1057 | "X" WASHER | 2 | ||||
| ? | GE1058 | BRACKET, SUPPORT | 1 | ||||
| ? | GE1059 | SCREW - #10 - 32NF X 3/8" | 2 | ||||
| ? | GE1026 | LOCKWASHER - #10 | 2 | ||||
| ? | GE1060 | SUPPORT, INTERLOCK | 1 | ||||
| ? | GE1061 | SCREW - #10 - 32NF X 3/8" (SPECIAL) | 2 | ||||
| ? | GE1062 | SPRING, RETURN | 2 | ||||
| ? | GE1063 | SWITCH, INTERLOCK | 1 | ||||
| ? | GE1064 | LEVER, OPENING | 1 | ||||
| ? | GE1065 | LOCKWASHER - #10 | 1 | ||||
| ? | GE1066 | CAPSCREW - 1/4" - 20NC X 1" | 1 | ||||
| ? | GE1067 | OPERATOR, INTERLOCK | 1 | ||||
| ? | GE1068 | WASHER, BELLEVILLE | 1 | ||||
| ? | GE1051 | SCREW, SOCKET HEAD - 1/4" - 20NC X 1" | 2 | ||||
| ? | GE1052 | LOCKWASHER - 1/4" | 2 | ||||
| ? | GE1069 | SCREW, SOCKET HEAD - 1/4" - 20NC X 1/2" | 1 |