k-part
Номер на схеме Каталожный номер Название Количество Детали
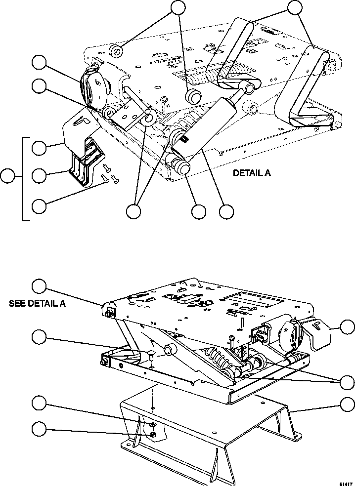
? EM4056 RISER 1
? XA4454 FLAT WASHER - M8 4
? XA4455 NUT, CENTERLOCK - M8 X 1.25 4
? XA4458 BOLT, CARRIAGE - M8 X 20 4
? XA4461 SUSPENSION ASSEMBLY 1
? XA4469 SHOCK 1
? XA4468 ROLLER, SMALL 4
? XA4473 STRAP, REBOUND 2
? XA4471 ADJUSTMENT KNOB ASSEMBLY 1
? XA4472 HEIGHT ADJUSTMENT LEVER ASSEMBLY 1
? XA4484 • HEIGHT ADJUSTMENT COVER, TOP 1
? XA4483 • HEIGHT ADJUSTMENT COVER, BOTTOM 1
? XA4482 • SCREW 3
? XA4470 ROLLER, LARGE 2

Dump Trucks Komatsu / AFE57-FN 830E-1AC S/N A30688-A30689, A30698-A30703, A30705-A30708, A30713-A30714, A30728-A30731, A30736-A30737, A30749-A30752, A30756, A30776-A30778, A30788-A30790, A30803, A30805-A30806, A30817, A30834 & A30847 - A30850  BROCKMAN / HOPE DO(AFE57-FN) / PASSENGER SEAT ASSM 2/2      PC2550(178 : 61417)
?
?
?
?
?
?
?
?
?
?
?
?
?
?
?
?
?
?