k-part
Наименование Страница Код страницы
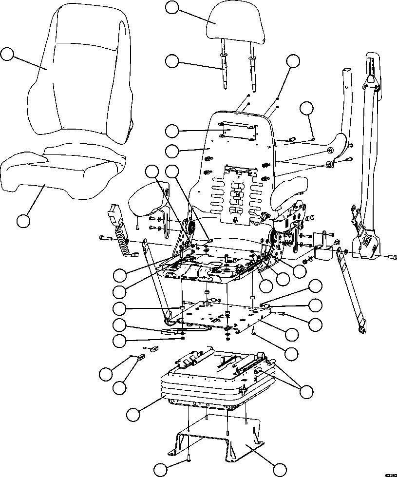
SEAT SUSPENSION ASSEMBLY XA5816 172 42738

Номер на схеме Каталожный номер Название Количество Детали
? 58E-98-10120 CUSHION, SEAT 1
? 58E-98-10130 CUSHION, BACKREST 1
? 58E-98-10150 HEADREST 1
? XA4061 KIT, HEADREST GUIDE 1
? 58E-98-10240 BRACKET, HEADREST GUIDE 1
? XA5119 RIVET 4
? 58E-98-10300 SCREW - #12 2
? 58E-98-10110 KIT, HIGHBACK SEAT 1
? EM4054 SLIDE ASSEMBLY 1
? 58E-98-10350 CAPSCREW - M8 X 1.25 X 30 2
? 58E-98-10340 FLAT WASHER 6
? 58E-98-10250 SPACER 4
? XA4455 NUT, CENTERLOCK - M8 X 1.25 4
? EM4066 BLOCK, SLIDER (ADJUSTABLE) 2
? EM4068 SCREW, ALLEN HEAD - 1/4" - 20NC X 1/2" 2
? XA5816 SEAT SUSPENSION ASSEMBLY (SEE INDEX) 1 42738
? EM4056 RISER 1
? EM4078 CAPSCREW - M8 X 1.25 X 25 6
? EM4059 BLOCK, SLIDER (NON-ADJUSTABLE) 2
? 58E-98-10280 BOLT, CARRIAGE - 5/16" - 18NC 2
? 58E-98-10330 LOCKNUT - 5/16" - 18NC 2
? 58E-98-10390 CAPSCREW - 5/16" - 18NC X 1 1/2" 2
? 58E-98-10200 SPACER 1
? EM4072 NUT, CENTERLOCK - 5/16" - 18NC 2
? 58E-98-10230 BRACKET, RECLINE STOP 1

Dump Trucks Komatsu / AFE57-FN 830E-1AC S/N A30688-A30689, A30698-A30703, A30705-A30708, A30713-A30714, A30728-A30731, A30736-A30737, A30749-A30752, A30756, A30776-A30778, A30788-A30790, A30803, A30805-A30806, A30817, A30834 & A30847 - A30850  BROCKMAN / HOPE DO(AFE57-FN) / SEAT ASSEMBLY    1/2     58E-57-00500(168 : 62282)
?
?
?
?
?
?
?
?
?
?
?
?
?
?
?
?
?
?
?
?
?
?
?
?
?
?
?
?
?