k-part
Номер на схеме Каталожный номер Название Количество Детали
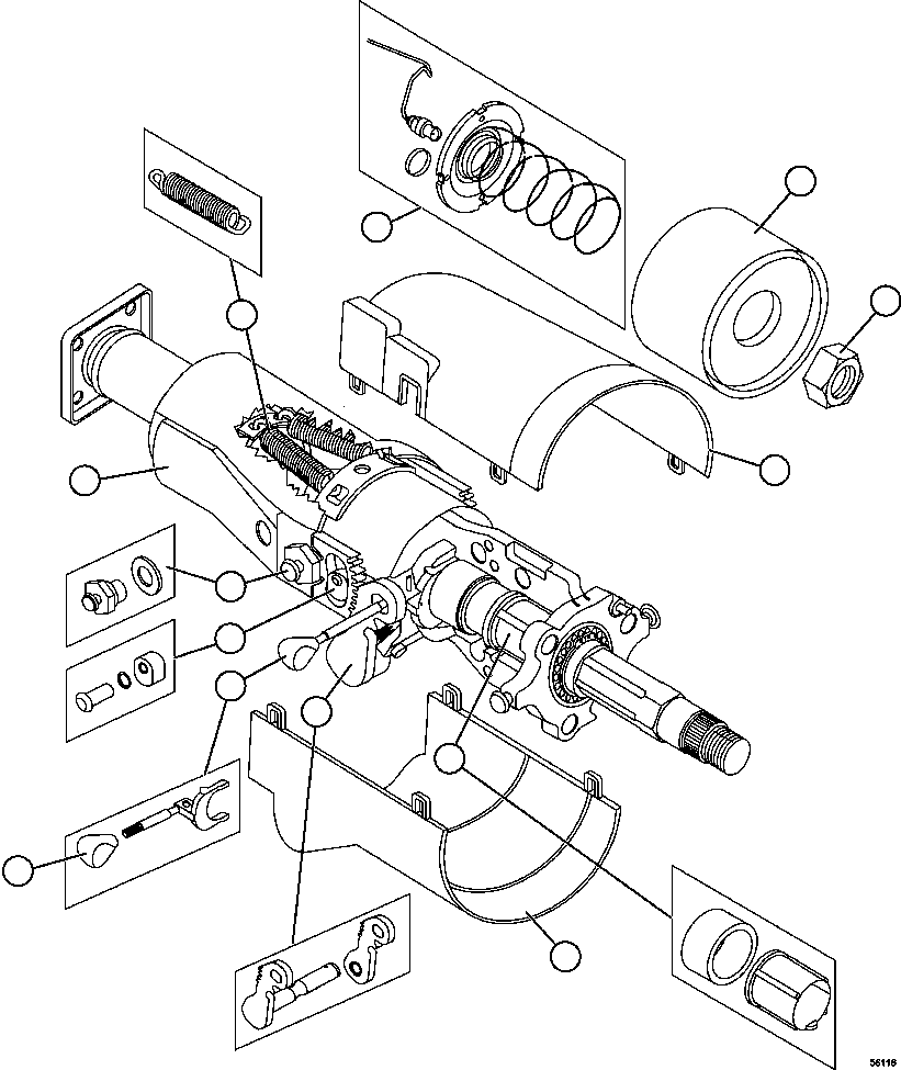
? BF5167 KIT, GAP HIDER 1
? XA5621 CONTACT ASSEMBLY, HORN 1
? XA4890 SPRING 1
? BF5169 KIT, ROD AND PAWL 1
? BF5170 KIT, TILT BOLT 1
? VE4299 COVER 1
? BF5171 KIT, TILT LEVER 1
? BF2071 KIT, TILT STOP 1
? BF5176 KIT, EXTENSION SPRING 1
? BF5172 KIT, COVER (UPPER & LOWER) 1
? BF5173 KIT, KNOB 1
? BF5174 KIT, TELESCOPE LINK 1
? BF5175 NUT 1
? NOTE: NS = NOT SHOWN
? VE4309 BRACKET, MOUNTING 1
? VE4310 CAPSCREW - 3/8" - 24NF 2
? VE4311 LOCKWASHER - 3/8" 2

Dump Trucks Komatsu / AFE57-FN 830E-1AC S/N A30688-A30689, A30698-A30703, A30705-A30708, A30713-A30714, A30728-A30731, A30736-A30737, A30749-A30752, A30756, A30776-A30778, A30788-A30790, A30803, A30805-A30806, A30817, A30834 & A30847 - A30850  BROCKMAN / HOPE DO(AFE57-FN) / STEERING COLUMN        XB8878(228 : 56116)
?
?
?
?
?
?
?
?
?
?
?
?
?