k-part
Номер на схеме Каталожный номер Название Количество Детали
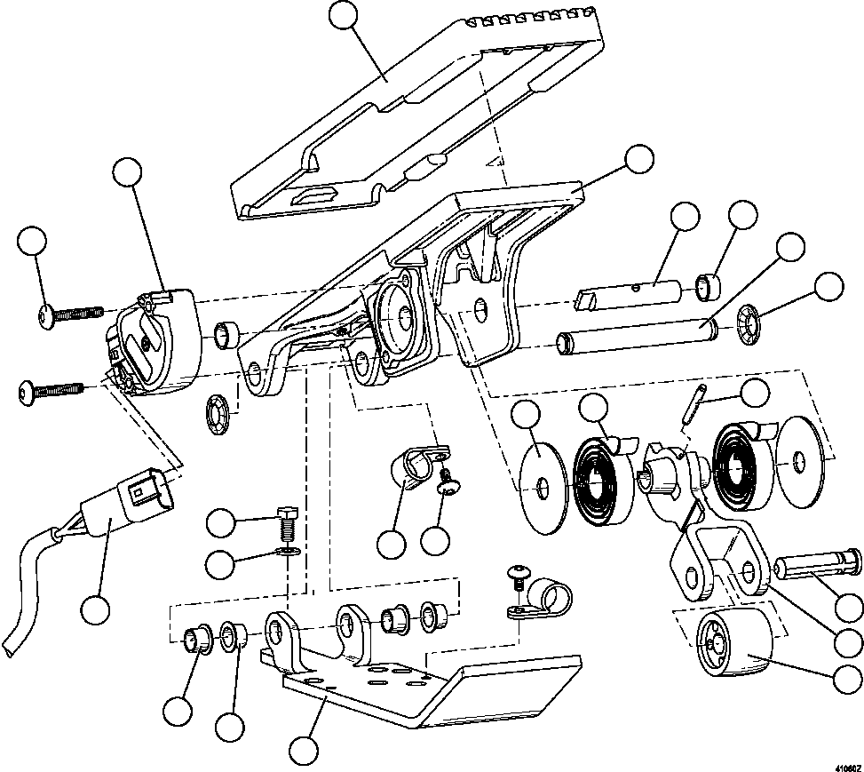
? BF1493 PEDAL (4) 1
? VJ4023 RING, RETAINING (1)/(2)/(4) 3
? VE3517 ROLLER (2)/(4) 1
? BF1494 LEVER, TREADLE (4) 1
? VE7636 HARNESS, WIRE (3)/(4) 1
? VE7634 CLAMP, WIRE (4) 2
? VE4213 SCREW, PAN HEAD (3)/(4) 2
? VC9049 CAPSCREW - 5/16" - 18NC X 5/8" (6) 4
? BF1495 COVER 1
? PIN, TREADLE (1)/(4)/(5) 1
? VE3504 BUSHING (1)/(4) 2
? VE3510 BUSHING (1)/(4) 2
? SENSOR (4)/(5) 1
? VE7551 PIN (4) 1
? SC4174 LOCKWASHER - 5/16" (6) 4
? SPRING (4)/(5) 2
? BF1492 SHAFT, SENSOR (4) 1
? VE7557 BUSHING (4) 2
? BF1355 PLATE, BASE 1
? VE7638 ROLLPIN (2)/(4) 1
? VE7556 WASHER, THRUST (OUTER) (4) 2
? VE3522 MACHINE SCREW (4) 2
? VE7549 NOTE: (1) INCLUDED IN VE7549 TREADLE PIN KIT.
? VE7561 (2) INCLUDED IN VE7561 ROLLER KIT.
? BF1497 (3) INCLUDED IN BF1497 SENSOR KIT.
? BF1498 (4) INCLUDED IN BF1498 UPPER SERVICE ASSEMBLY KIT.
? (5) NOT SERVICED SEPARATELY.
? (6) NOT INCLUDED IN ASSEMBLY.

Dump Trucks Komatsu / AFE57-FN 830E-1AC S/N A30688-A30689, A30698-A30703, A30705-A30708, A30713-A30714, A30728-A30731, A30736-A30737, A30749-A30752, A30756, A30776-A30778, A30788-A30790, A30803, A30805-A30806, A30817, A30834 & A30847 - A30850  BROCKMAN / HOPE DO(AFE57-FN) / ELECTRONIC TREADLE           PB9506(222 : 41060)
?
?
?
?
?
?
?
?
?
?
?
?
?
?
?
?
?
?
?
?
?
?