k-part
Номер на схеме Каталожный номер Название Количество Детали
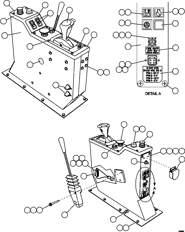
? EM5646 CONSOLE 1
? EL4131 COVER, MOLDED (SHIFT CONSOLE) 1
? EL2721 • DECAL, SHIFT CONSOLE - FORWARD 1
? EL2723 • DECAL, SHIFT CONSOLE - MIDDLE 1
? EM2711 • DECAL, SHIFT CONSOLE - REAR 1
? MM0470 LOCKWASHER - M8 12
? PC1374 OUTLET, AUXILIARY POWER 2
? SM0628 COVER 1
? DF4944 LOCKWASHER - #6 2
? HE2467 MACHINE SCREW - #6 - 32NC X 1/2" 2
? HE5125 FLAT WASHER - #6 2
? DD2468 NUT - #6 - 32NC 2
? PB6893 VALVE, CONTROL 1
? SC4174 LOCKWASHER - 5/16" 3
? TV0177 FLAT WASHER - 5/16" 3
? WA3597 CAPSCREW - 5/16" - 18NC X 2 1/4" 3
? SM4443 FLASHER ASSEMBLY - CLEAR LENS 4
? SP8443 LIGHT BULB 4
? EL4153 DECAL, KOMTRAX PLUS SNAPSHOT IN PROGRESS 1
? SM5073 DECAL, SERVICE ENGINE 1
? SM5104 DECAL, LINK ENERGIZED 1
? PB8624 SWITCH, PUSH BUTTON (DATA STORE) 1
? TF7982 GROMMET, RUBBER 1
? WA4605 SCREW - #10 - 24NC X 1/2" 10
? PC1377 BUTTON, PUSH (OVERRIDE/FAULT RESET) 1
? PC1375 SWITCH, PUSH - PULL (ENGINE SHUTDOWN) 1
? PC1817 LEVER, GEAR SELECTOR 1
? 31127R1 CAPSCREW - M6 X 1.00 X 12 (UNDER MOLDED COVER) 4
? XB0514 PLATE, DIAGNOSTIC 1
? PC0490 SWITCH, ROCKER (ELECTRIC WINDOW) 2
? SM0926 SCREW - M6 X 1.00 4
? ED2863 POTENTIOMETER (RETARD SPEED CONTROL) 1
? PB5957 KNOB 1
? MM0593 CAPSCREW - M8 X 1.25 X 20 8
? 58B-58-40000 BUTTON, PUSH-PULL (RETARD SPEED CONTROL) 1
? EM5648 RESISTOR 1
? MM0460 FLAT WASHER - M8 8
? VG1621 MACHINE SCREW - 4-40 X 5/8" 2
? VN9708 NUT - 4-40 2
? VD7129 LOCKWASHER - #4 8
? VN9762 FLAT WASHER - #4 4
? TV3555 PLUG, BUTTON - 1 3/8" 1
? SM5115 CAPSCREW - M8 X 1.25 X 20 4
? WB3548 NAME PLATE - FIRE SUPP 1
? WB3549 NAME PLATE - 2 WAY RADIO 1
? MM0344 SCREW - M4 X 0.7 2
? MM0378 LOCKWASHER - M4 2
? MM0205 LOCKWASHER - M4 2
? MM0372 NUT - M4 X 0.7 2
? MM0331 SCREW - M3 X 0.5 X 20 4
? MM0376 LOCKWASHER - M3 4
? MM0370 NUT - M3 X 0.5 4

Dump Trucks Komatsu / AFE57-FN 830E-1AC S/N A30688-A30689, A30698-A30703, A30705-A30708, A30713-A30714, A30728-A30731, A30736-A30737, A30749-A30752, A30756, A30776-A30778, A30788-A30790, A30803, A30805-A30806, A30817, A30834 & A30847 - A30850  BROCKMAN / HOPE DO(AFE57-FN) / CENTER CONSOLE MODULE INSTALLATION(218 : 42808)
?
?
?
?
?
?
?
?
?
?
?
?
?
?
?
?
?
?
?
?
?
?
?
?
?
?
?
?
?
?
?
?
?
?
?
?
?
?
?
?
?
?
?
?
?
?
?
?
?
?
?
?
?
?
?