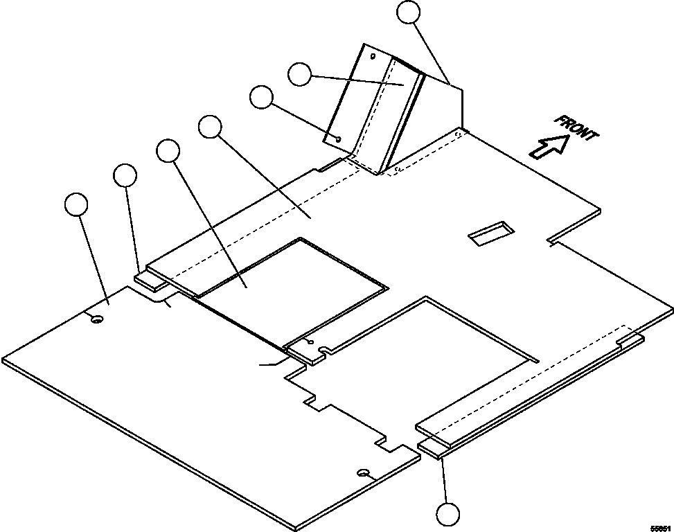
Найти k-part Содержание Dump Trucks Komatsu AFE57-FN 830E-1AC S/N A30688-A30689, A30698-A30703, A30705-A30708, A30713-A30714, A30728-A30731, A30736-A30737, A30749-A30752, A30756, A30776-A30778, A30788-A30790, A30803, A30805-A30806, A30817, A30834 & A30847 - A30850 BROCKMAN / HOPE DO(AFE57-FN) FOOTREST AND FLOOR MATS(188 : 55651) Номер на схеме Каталожный номер Название Количество Детали ? EK2782 FLOOR MAT, FRONT 1 ? SM5435 FLOOR MAT, THRESHOLD 2 ? EK2811 FLOOR MAT, REAR 1 ? EK2817 FLOOR MAT, SEAT 1 ? SM5048 FOOTREST 1 ? 27705R1 SCREW, TAP - 1/4" - 14NC X 1" 4 ? SM5434 FLOOR MAT, FOOTREST 1 ? ? ? ? ? ? ? ?