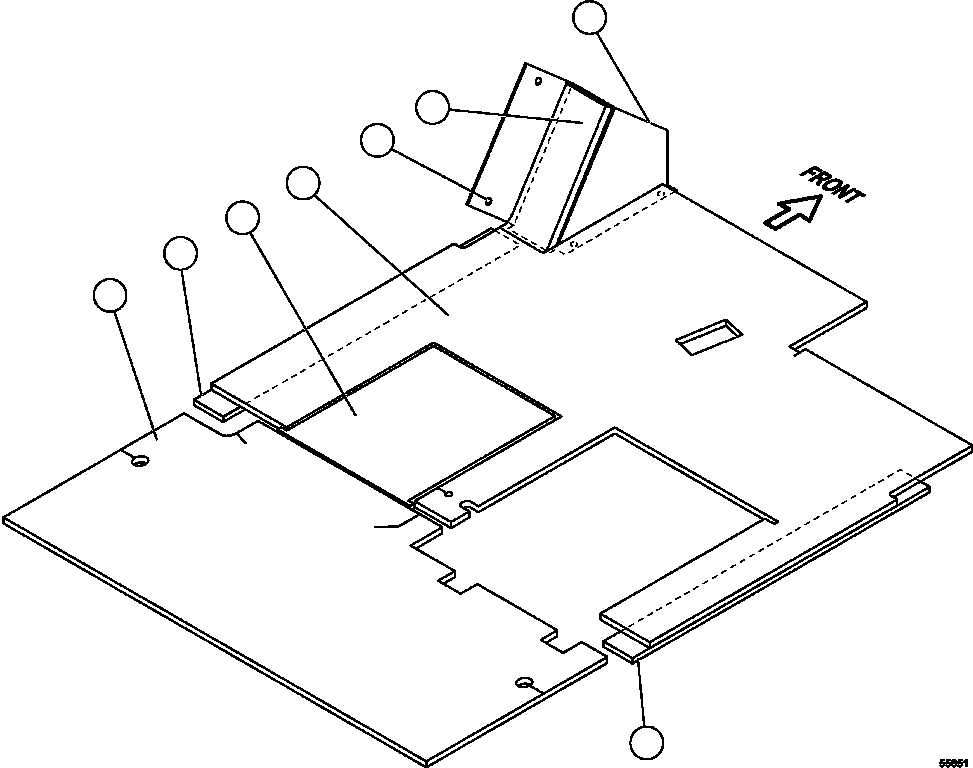
Найти k-part Содержание Dump Trucks Komatsu AFE57-FQ 830E-1AC S/N A30715 - A30717 & A30738 - A30740 NATIONAL PLANT(AFE57-FQ) FOOTREST AND FLOOR MATS(172 : 55651) Номер на схеме Каталожный номер Название Количество Детали ? EK2782 FLOOR MAT, FRONT 1 ? SM5435 FLOOR MAT, THRESHOLD 2 ? EK2811 FLOOR MAT, REAR 1 ? EK2817 FLOOR MAT, SEAT 1 ? SM5048 FOOTREST 1 ? 27705R1 SCREW, TAP - 1/4" - 14NC X 1" 4 ? SM5434 FLOOR MAT, FOOTREST 1 ? ? ? ? ? ? ? ?