| Номер на схеме | Каталожный номер | Название | Количество | Детали | |||
|---|---|---|---|---|---|---|---|
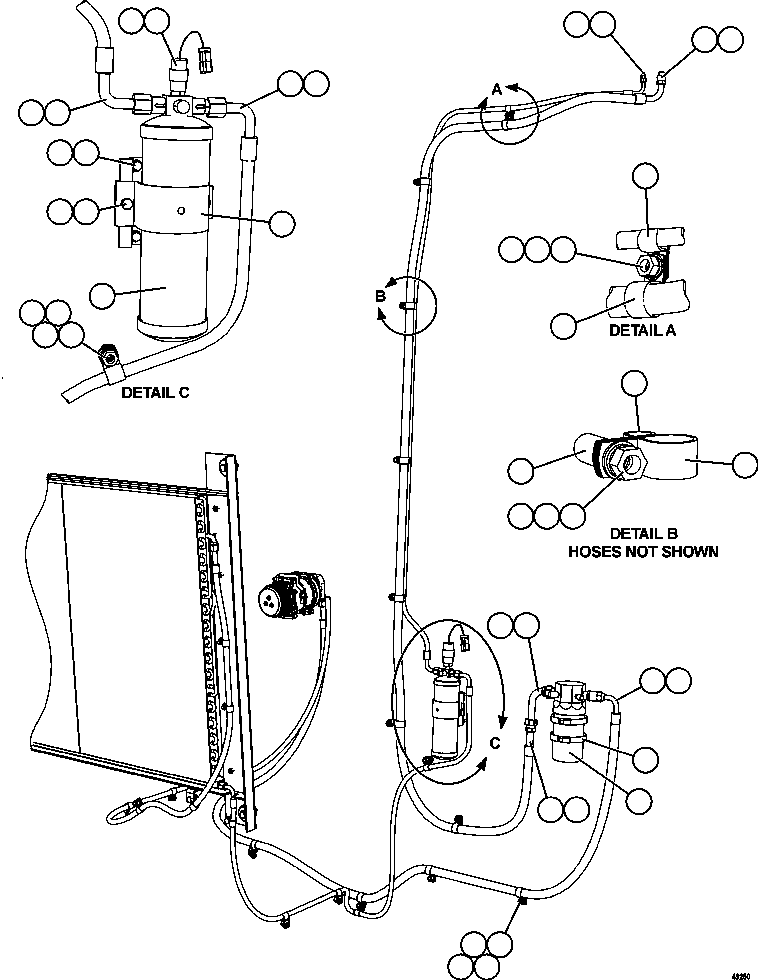
| ? | WA1731 | O-RING | 3 | ||||
| ? | HA7567 | HOSE | 1 | ||||
| ? | WA1733 | O-RING | 1 | ||||
| ? | HA8220 | HOSE | 1 | ||||
| ? | WB1304 | CLAMP, CUSHION - 9/16" | 12 | ||||
| ? | MM0178 | NUT - M10 X 1.50 | 11 | ||||
| ? | MM0471 | LOCKWASHER - M10 | 11 | ||||
| ? | MM0461 | FLAT WASHER - M10 | 11 | ||||
| ? | WB3093 | CLAMP, CUSHION - 1" | 11 | ||||
| ? | EM1398 | SPACER | 5 | ||||
| ? | WB1027 | O-RING | 3 | ||||
| ? | HA8746 | HOSE | 1 | ||||
| ? | 20D-09-11130 | CLAMP | 2 | ||||
| ? | PC1830 | ACCUMULATOR | 1 | ||||
| ? | XA4444 | • CAP, DUST (LOW SIDE SERVICE PORT) | 1 | ||||
| ? | XA4445 | • CAP, DUST (1/4" SWITCH PORT) | 1 | ||||
| ? | PC1969 | ADAPTER | 1 | ||||
| ? | PC2268 | RECEIVER DRIER | 1 | ||||
| ? | PC1341 | BRACKET | 1 | ||||
| ? | MM0027 | CAPSCREW - M6 X 1.00 X 25 | 4 | ||||
| ? | MM0459 | FLAT WASHER - M6 | 4 | ||||
| ? | C5746 | CAPSCREW - 1/4" - 20NC X 3/4" | 1 | ||||
| ? | C5774 | LOCKWASHER - 1/4" | 1 | ||||
| ? | PC1804 | SWITCH, TRINARY | 1 | ||||
| ? | HA8636 | HOSE | 1 | ||||
| ? | HA7567 | HOSE | 1 | ||||
| ? | VZ4843 | TYRAP | 10 |