| Номер на схеме | Каталожный номер | Название | Количество | Детали | |||
|---|---|---|---|---|---|---|---|
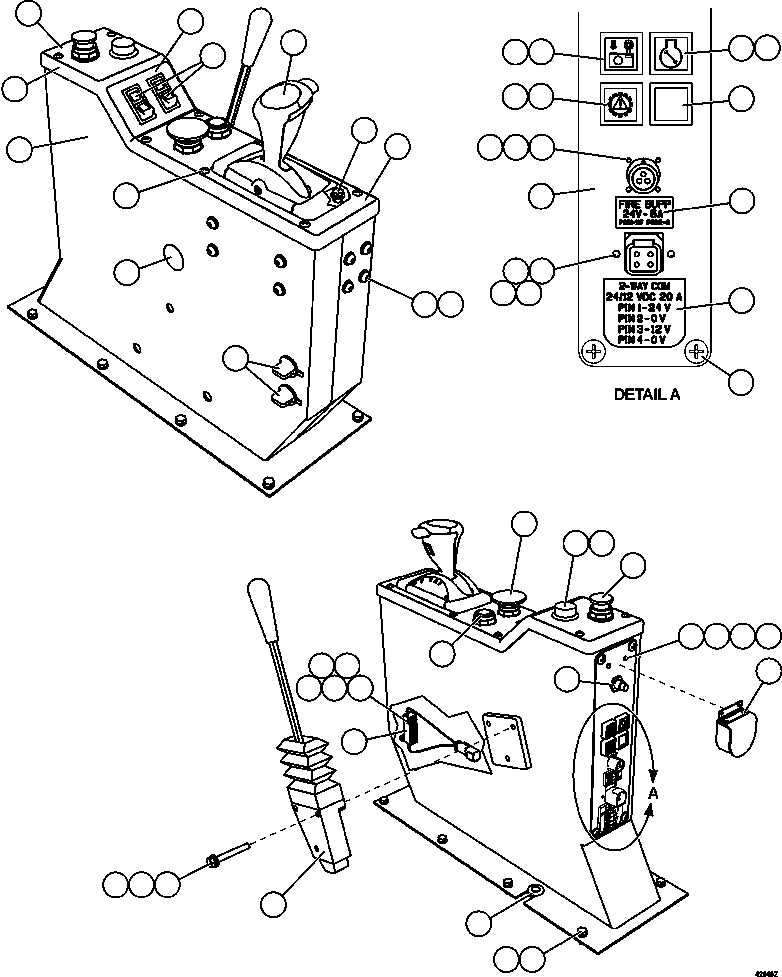
| ? | EM5646 | CONSOLE | 1 | ||||
| ? | EL4131 | COVER, MOLDED (SHIFT CONSOLE) | 1 | ||||
| ? | EL2721 | • DECAL, SHIFT CONSOLE - FORWARD | 1 | ||||
| ? | EL2723 | • DECAL, SHIFT CONSOLE - MIDDLE | 1 | ||||
| ? | EM2711 | • DECAL, SHIFT CONSOLE - REAR | 1 | ||||
| ? | MM0470 | LOCKWASHER - M8 | 12 | ||||
| ? | PC1374 | OUTLET, AUXILIARY POWER | 2 | ||||
| ? | SM0628 | COVER | 1 | ||||
| ? | DF4944 | LOCKWASHER - #6 | 2 | ||||
| ? | HE2467 | MACHINE SCREW - #6 - 32NC X 1/2" | 2 | ||||
| ? | HE5125 | FLAT WASHER - #6 | 2 | ||||
| ? | DD2468 | NUT - #6 - 32NC | 2 | ||||
| ? | PN6893 | VALVE, CONTROL | 1 | ||||
| ? | SC4174 | LOCKWASHER - 5/16" | 3 | ||||
| ? | TV0177 | FLAT WASHER - 5/16" | 3 | ||||
| ? | WA3597 | CAPSCREW - 5/16" - 18NC X 2 1/4" | 3 | ||||
| ? | SM4443 | FLASHER ASSEMBLY - CLEAR LENS | 4 | ||||
| ? | SP8443 | LIGHT BULB | 4 | ||||
| ? | EL4153 | DECAL, VHMS SNAPSHOT IN PROGRESS | 1 | ||||
| ? | SM5073 | DECAL, SERVICE ENGINE | 1 | ||||
| ? | SM5104 | DECAL, LINK ENERGIZED | 1 | ||||
| ? | PB8624 | SWITCH, PUSH BUTTON (DATA STORE) | 1 | ||||
| ? | TF7982 | GROMMET, RUBBER | 1 | ||||
| ? | WA4605 | SCREW - #10 - 24NC X 1/2" | 10 | ||||
| ? | PC1377 | BUTTON, PUSH (OVERRIDE/FAULT RESET) | 1 | ||||
| ? | PC1375 | SWITCH, PUSH - PULL (ENGINE SHUTDOWN) | 1 | ||||
| ? | PC1817 | LEVER, GEAR SELECTOR | 1 | ||||
| ? | 31127R1 | CAPSCREW - M6 X 1.00 X 12 (UNDER MOLDED COVER) | 4 | ||||
| ? | XB0514 | PLATE, DIAGNOSTIC | 1 | ||||
| ? | PC0490 | SWITCH, ROCKER (ELECTRIC WINDOW) | 2 | ||||
| ? | SM0926 | SCREW - M6 X 1.00 | 4 | ||||
| ? | ED2863 | POTENTIOMETER (RETARD SPEED CONTROL) | 1 | ||||
| ? | PB5957 | KNOB | 1 | ||||
| ? | MM0593 | CAPSCREW - M8 X 1.25 X 20 | 8 | ||||
| ? | 58B-58-40000 | BUTTON, PUSH-PULL (RETARD SPEED CONTROL) | 1 | ||||
| ? | EM5648 | RESISTOR | 1 | ||||
| ? | MM0460 | FLAT WASHER - M8 | 8 | ||||
| ? | VG1621 | MACHINE SCREW - 4-40 X 5/8" | 2 | ||||
| ? | VN9708 | NUT - 4-40 | 2 | ||||
| ? | VD7129 | LOCKWASHER - #4 | 8 | ||||
| ? | VN9762 | FLAT WASHER - #4 | 4 | ||||
| ? | TV3555 | PLUG, BUTTON - 1 3/8" | 1 | ||||
| ? | SM5115 | CAPSCREW - M8 X 1.25 X 20 | 4 | ||||
| ? | WB3548 | NAME PLATE - FIRE SUPP | 1 | ||||
| ? | WB3549 | NAME PLATE - 2 WAY RADIO | 1 | ||||
| ? | MM0344 | SCREW - M4 X 0.7 | 2 | ||||
| ? | MM0378 | LOCKWASHER - M4 | 2 | ||||
| ? | MM0205 | LOCKWASHER - M4 | 2 | ||||
| ? | MM0372 | NUT - M4 X 0.7 | 2 | ||||
| ? | MM0331 | SCREW - M3 X 0.5 X 20 | 4 | ||||
| ? | MM0376 | LOCKWASHER - M3 | 4 | ||||
| ? | MM0370 | NUT - M3 X 0.5 | 4 |