k-part
Номер на схеме Каталожный номер Название Количество Детали
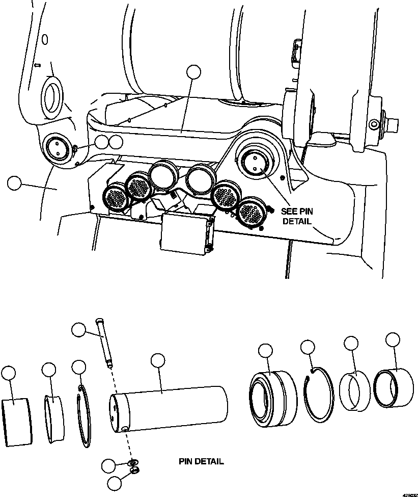
? EC4617 BAR, SWAY 1
? XC0941 AXLE HOUSING ASSEMBLY 1
? XC0942 • AXLE HOUSING 1
? TX8110 • SLEEVE (1) 4
? PB0027 BEARING, SPHERICAL (1) 2
? VN9351 RING, RETAINER (1) 4
? TY2734 • SPACER (1) 4
? VN9952 LOCKNUT - 5/8" - 11NC (1) 2
? WA0361 FLAT WASHER - 5/8" (1) 2
? EK1326 PIN, BEARING (1) 2
? EM8115 SHOULDER BOLT - 5/8" - 11NC X 7.41" (1) 2
? CE2510 CAPSCREW - 5/8" - 11NC X 3/4" 2
? C1541 LOCKWASHER - 5/8" 1
? AK5665 NOTE: (1) INCLUDED IN AK5665 PIN KIT.

Dump Trucks Komatsu / AFE57-FW 830E-1AC S/N A30761  WABUSH(AFE57-FW) / SWAY BAR INSTALLATION(114 : 42803)
?
?
?
?
?
?
?
?
?
?
?
?
?
?
?