k-part
Номер на схеме Каталожный номер Название Количество Детали
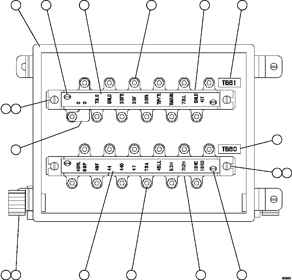
? EK1411 BOX W/COVER 1
? VS8479 BOARD, TERMINAL 2
? VF2231 MACHINE SCREW - #10 - 24NC X 3/8" 4
? DC3101 LOCKWASHER - #10 4
? WB3425 STRIP, CIRCUIT 1
? WB3233 STRIP, CIRCUIT 1
? WA3367 NUT ASSEMBLY 24
? VM2951 SCREW - #6 - 32NC X 5/16" 4
? WB1234 NAME PLATE - TB60 1
? WB1235 NAME PLATE - TB61 1
? EB7418 BUS BAR 1
? VZ3046 CORD GRIP 2
? VM5587 LOCKNUT, CONDULET 2

Dump Trucks Komatsu / AFE57-FW 830E-1AC S/N A30761  WABUSH(AFE57-FW) / JUNCTION BOX ASSEMBLY - REAR      EM6434(388 : 60960)
?
?
?
?
?
?
?
?
?
?
?
?
?
?
?
?
?
?