| Номер на схеме | Каталожный номер | Название | Количество | Детали | |||
|---|---|---|---|---|---|---|---|
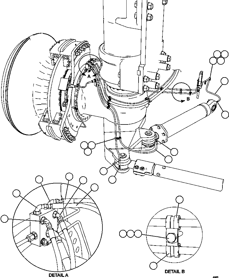
| ? | WB1300 | CLAMP, CUSHION - 5/8" | 12 | ||||
| ? | MM0178 | NUT - M10 X 1.50 | 2 | ||||
| ? | MM0471 | LOCKWASHER - M10 | 2 | ||||
| ? | MM0461 | FLAT WASHER - M10 | 2 | ||||
| ? | HA0570 | HOSE | 1 | ||||
| ? | WB0574 | FITTING, STRAIGHT | 1 | ||||
| ? | WB0252 | FITTING, 90 DEGREE ELBOW | 1 | ||||
| ? | HA0434 | HOSE | 1 | ||||
| ? | VW8099 | HOSE | 1 | ||||
| ? | TC1233 | NUT - 3/8" - 16NC | 7 | ||||
| ? | TC1231 | LOCKWASHER - 3/8" | 5 | ||||
| ? | C8558 | CAPSCREW - 3/8" - 16NC X 3 1/4" | 2 | ||||
| ? | HA8642 | HOSE | 2 | ||||
| ? | WB0533 | FITTING, ELBOW - 45 DEG | 2 | ||||
| ? | WB0501 | FITTING, 90 DEGREE ELBOW | 2 | ||||
| ? | WB0499 | FITTING, 90 DEGREE ELBOW | 1 |