| Номер на схеме | Каталожный номер | Название | Количество | Детали | |||
|---|---|---|---|---|---|---|---|
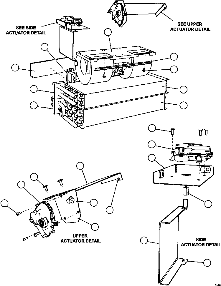
| ? | EM0053 | BLOWER ASSEMBLY | 1 | ||||
| ? | EM0094 | BLOWER RETAINER | 1 | ||||
| ? | EM0067 | SCREW | 2 | ||||
| ? | EM0052 | HEATER CORE | 1 | ||||
| ? | EM0051 | EVAPORATOR CORE | 1 | ||||
| ? | EM0083 | SCREW | 6 | ||||
| ? | EM0060 | ACTUATOR | 2 | ||||
| ? | EM0075 | BRACKET | 1 | ||||
| ? | EM0089 | DRIVE ADAPTER | 2 | ||||
| ? | EM0086 | PIVOT BUSHING | 2 | ||||
| ? | EM0091 | DAMPER DOOR (SIDE) | 1 | ||||
| ? | EM0073 | BRACKET | 1 | ||||
| ? | EM0090 | DAMPER DOOR (UP) | 1 | ||||
| ? | EM0072 | FOAM | 2 | ||||
| ? | EM0071 | FOAM | 1 | ||||
| ? | EM0062 | THERMOSTAT | 1 | ||||
| ? | 58D-98-00010 | SCREW | 2 |