| Номер на схеме | Каталожный номер | Название | Количество | Детали | |||
|---|---|---|---|---|---|---|---|
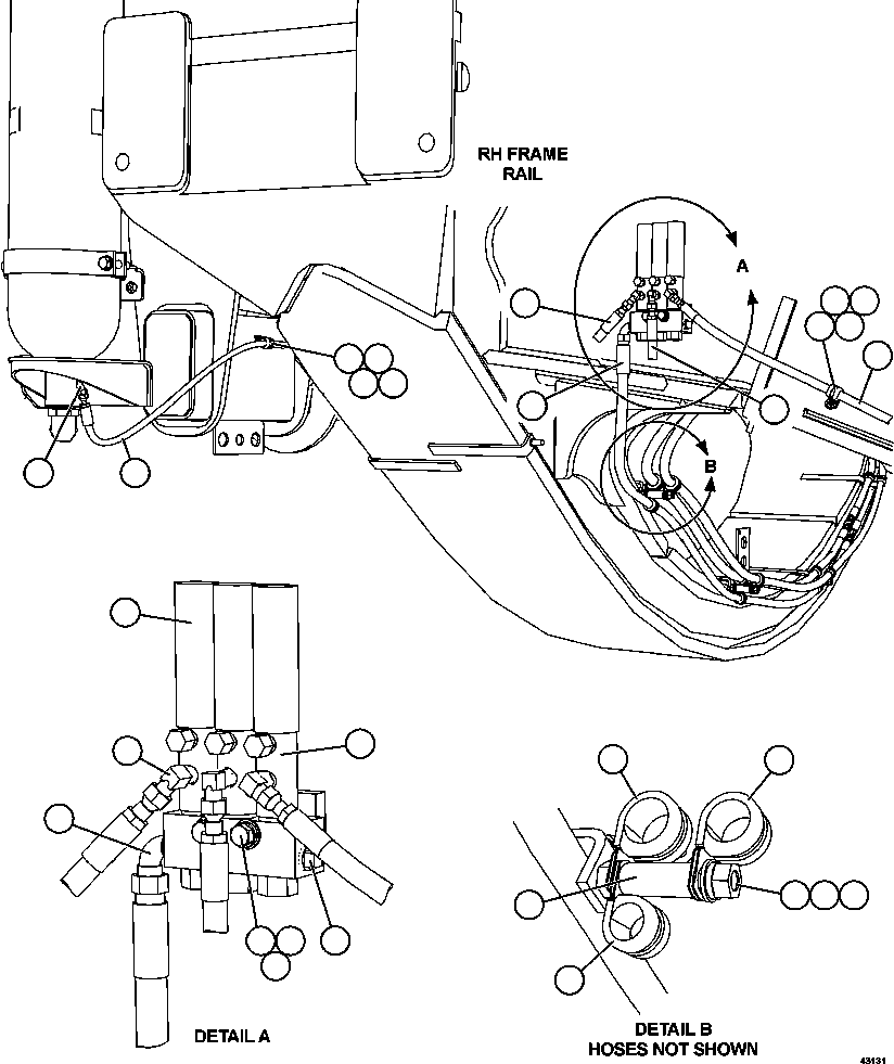
| ? | HA8642 | HOSE | 2 | ||||
| ? | VW8360 | HOSE | 1 | ||||
| ? | WB1300 | CLAMP, CUSHIONED - 5/8" | 1 | ||||
| ? | MM0178 | NUT - M10 X 1.50 | 3 | ||||
| ? | MM0471 | LOCKWASHER - M10 | 3 | ||||
| ? | MM0461 | FLAT WASHER - M10 | 3 | ||||
| ? | HA0570 | HOSE | 1 | ||||
| ? | WB3092 | CLAMP, CUSHIONED - 7/8" | 2 | ||||
| ? | WB1303 | CLAMP, CUSHIONED - 3/4" | 2 | ||||
| ? | WB3093 | CLAMP, CUSHIONED - 1" | 4 | ||||
| ? | EM1393 | SPACER | 2 | ||||
| ? | TA4410 | INJECTOR | 1 | ||||
| ? | C5770 | PLUG, PIPE - 3/8" | 1 | ||||
| ? | TD0789 | CAPSCREW - 3/8" - 16NC X 1 3/4" | 2 | ||||
| ? | TC1231 | LOCKWASHER - 3/8" | 2 | ||||
| ? | TR4436 | FLAT WASHER - 3/8" | 2 | ||||
| ? | WB0262 | FITTING, ELBOW - 90 DEG | 1 | ||||
| ? | WB0252 | FITTING, ELBOW - 90 DEG | 3 | ||||
| ? | VW7990 | CAP, PROTECTOR | 3 | ||||
| ? | HA8712 | HOSE | 1 | ||||
| ? | WB0501 | FITTING, ELBOW - 90 DEG | 1 |