| Наименование | Страница | Код страницы |
|---|---|---|
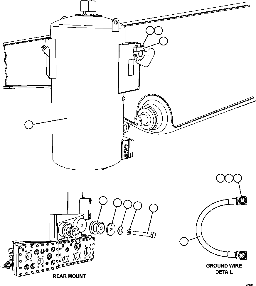
| HYDRAULIC TANK ASSEMBLY | 436 | 42875 |
| Номер на схеме | Каталожный номер | Название | Количество | Детали | |||
|---|---|---|---|---|---|---|---|
| ? | C1669 | CAPSCREW - 1" - 8NC X 3 1/2" | 4 | ||||
| ? | WA4733 | FLAT WASHER - 1" | 6 | ||||
| ? | TY4907 | CAP | 2 | ||||
| ? | PC0780 | MOUNT, RUBBER - TWO PIECE | 2 | ||||
| ? | ED9895 | FLAT WASHER | 2 | ||||
| ? | MM0708 | FLAT WASHER - M24 | 2 | ||||
| ? | MM0476 | LOCKWASHER - M24 | 2 | ||||
| ? | MM0163 | CAPSCREW - M24 X 3.00 X 160 | 2 | ||||
| ? | MM0178 | NUT - M10 X 1.50 | 2 | ||||
| ? | MM0471 | LOCKWASHER - M10 | 2 | ||||
| ? | MM0461 | FLAT WASHER - M10 | 2 | ||||
| ? | VN5153 | WIRE | 1 |